TS-2551FX
-
TS-2551FX
-
TS-2552FX
-
TD-2551FX
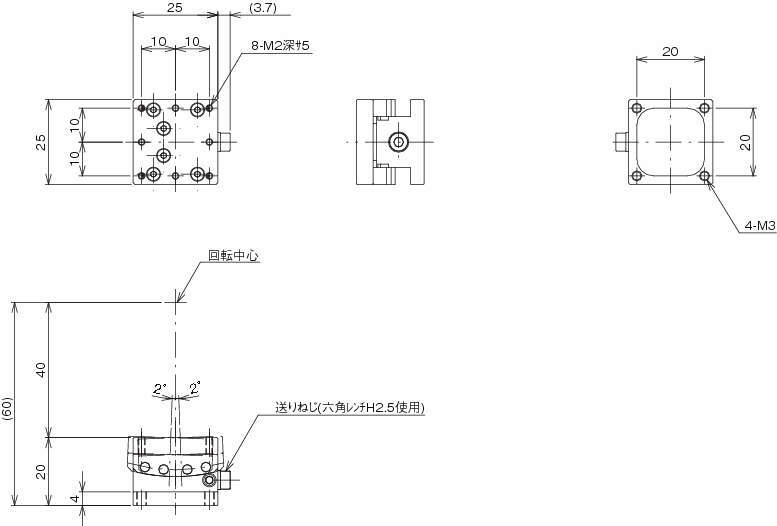
【カメラセンサの位置調整に最適!】位置調整後に動かないステージです
・クランプレスの、位置調整後に動かないステージです。
・特殊機構により、バックラッシを防止しています。
・位置調整は六角レンチを使用します。
※六角レンチは付属しておりません。お客様にてご用意ください。
・六角レンチに替わり特殊形状のレンチに対応させることも可能です(オプション)。
・常に位置調整が必要なワークより、むしろカメラやセンサなどの位置調整後に移動させたくないワークに最適です。
・ステージ面サイズが25�o角の小型ステージで、6軸を構成することが可能です。
・ 回転中心高さが異なる1軸の傾斜ステージを組み合わせ、同一回転中心として2軸の傾斜ステージにすることができます。
・水平設置だけではなく、垂直・逆さ方向の設置も可能です。
共通仕様
| ステージ面 | 25mm×25mm |
|---|---|
| クランプ方式 | クランプレス |
| 送り方式 | 送りねじ P=0.5mm |
| 移動量 | ±2° |
| 移動ガイド | すり合わせ |
| 耐荷重 | 4.9N(0.5kgf) |
| 主要材料 | アルミ合金/黒アルマイト梨地 |
| RoHS指令対応状況 | RoHS指令適合品 |

