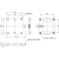
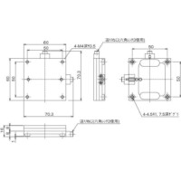
LS-T4052FX
-
LS-T4052FX
-
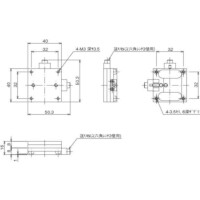
LS-T6052FX
-
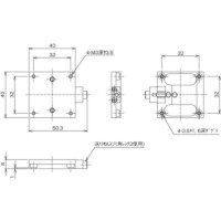
LD-T4052FX
-
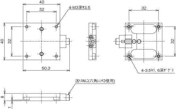
LD-T6052FX
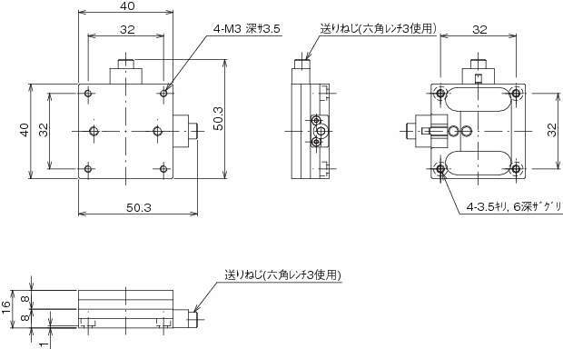
【カメラセンサの位置調整に最適!】位置調整後に動かないステージです
・クランプレスの、位置調整後に動かないステージです。
・特殊機構により、バックラッシを防止しています。
・位置調整は六角レンチを使用します。
※六角レンチは付属しておりません。お客様にてご用意ください。
・常に位置調整が必要なワークより、むしろカメラやセンサなど、位置調整後に移動させたくないワークに最適です。
・スペーサほどの薄さ(8�o)で位置決めが可能です(Xステージの場合)。
・送りねじの配置をテーブル中心とすることで出っ張りの少ない形状を実現しており、特に狭小部への設置に有効です。
・水平設置だけではなく、垂直・逆さ方向の設置も可能です。
共通仕様
| クランプ方式 | クランプレス |
|---|---|
| 送り方式 | 送りねじP=0.7mm |
| 移動量/ツマミ1回転 | 約0.7mm |
| 移動ガイド | すり合わせ |
| 耐荷重 | 24.5N(2.5kgf) |
| 主要材質/表面処理 | アルミ合金/黒アルマイト梨地 |
| RoHS指令対応状況 | RoHS指令適合品 |

