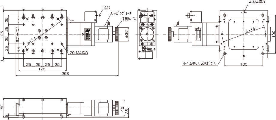
ALS-904-H1PC
-
ALS-904-H1PC
各種センサ、ワークの自動位置決め用途に最適なステージです
・ステージ面寸法、移動量、精度、価格など、各仕様での位置付けを明確にしていますので、選択が容易です。
・自動ステージのステージ面、ベース底面の取り付けに互換性があり、お客様の仕様に合わせて、自由な多軸組み合わせが可能です。
・自動ステージは全数検査を行っています。測定機器のトレーサビリティを確立し、信頼できる精度、品質を保証しています。
・アフターサービス、サポート体制が充実しています。
・移動ガイドにV溝とクロスローラを使用した高精度の自動ステージです。
・移動ガイドとボールねじにはクリーンルームグリースを塗布しています。
・各種センサ、ワークの自動位置決め用途に使用できます。
・原点前センサおよびリミットセンサは位置の調整が可能です。
共通仕様
| 製品名 | Xステージ |
|---|---|
| 移動方向 | X軸1方向 |
| 使用モータ | PK545NBW相当(5線式ペンタゴン結線、0.75/相) |
| 分解能 | 0.002mm |
| 送りねじ仕様 | ボールねじ |
| 送りねじリード | 1mm |
| 移動ガイド | V溝とクロスローラ |
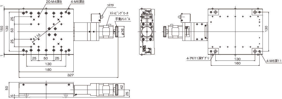
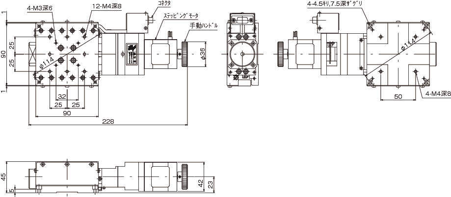
| 位置精度 | ・ALS-904-H1PC:真直度(水平・垂直)0.003mm、ヨーイング15sec、ピッチング20sec ALS-106-H1PC:真直度(水平・垂直)0.004mm、ヨーイング15sec、ピッチング20sec ・ALS-510-H1P:真直度(水平・垂直)0.004mm、ヨーイング20sec、ピッチング30sec ・ALS-215-H1P:真直度(水平・垂直)0.004�o、ヨーイング20sec、ピッチング30sec |
| ロストモーション | 0.001mm |
| 最高速度(8000pps時) | 16mm/s |
| 主要材質/表面処理 | 鋼材/カニゼンメッキ(テーブル)、塗装(ベース) |
| 原点センサ | ノーマルオープン接点(メイク接点、A接点)動作、フォトセンサ |
| 原点前センサ | ノーマルクローズ接点(ブレーク接点、B接点)動作、フォトセンサ |
| リミットセンサ | ノーマルクローズ接点(ブレーク接点、B接点)動作、フォトセンサ |
| 適合ケーブル | ACB-STD2、ACB-STD3 |
| RoHS指令対応状況 | RoHS指令適合品 |

