ARS-136-HP
-
ARS-136-HP
-
ARS-936-HP図面
-
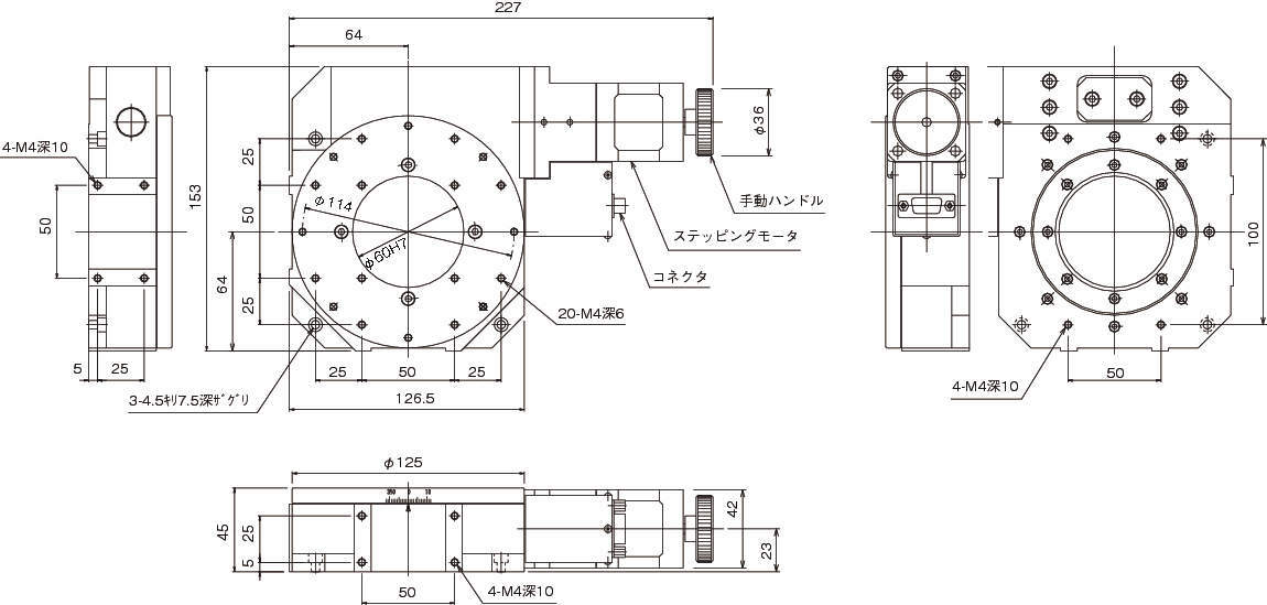
ARS-136-HP図面
カメラ、センサ、ワークの精密位置決めに最適な回転ステージ
・ステージ面寸法、移動量、精度、価格など、各仕様での位置付けを明確にしていますので、選択が容易です。
・自動ステージのステージ面、ベース底面の取り付けに互換性があり、お客様の仕様に合わせて、自由な多軸組み合わせが可能です。
・自動ステージは全数検査を行っています。測定機器のトレーサビリティを確立し、信頼できる精度、品質を保証しています。
・アフターサービス、サポート体制が充実しています。
・移動ガイドにクロスローラベアリングを使用した回転ステージです。
・中心に透過穴があいています。
・カメラ、センサ、ワークなどの精密位置決め用途に広く利用いただけます。
共通仕様
| 製品名 | 回転ステージ |
|---|---|
| 移動方向 | 回転方向 |
| 移動量 | 360° |
| 使用モータ | PK545NBW相当(5線式ペンタゴン結線、0.75A/相) |
| 分解能 | 0.004° |
| 移動ガイド | クロスローラーベアリング |
| 心振れ | 0.01mm |
| 面振れ | 0.015mm |
| 位置決め精度 | 0.025° |
| 繰り返し精度 | ±0.003° |
| ロストモーション | 0.003° |
| 平行度 | 0.05mm |
| 最高速度(5000pps時) | 20°/s |
| 主要材質/表面処理 | 鋼材(テーブル)、アルミ(ベース)/カニゼンメッキ、白アルマイト梨地 |
| 原点センサ | ノーマルオープン接点(メイク接点、A接点)動作、フォトセンサ |
| 原点前センサ | ノーマルオープン接点(メイク接点、A接点)動作、フォトセンサ |
| 適合ケーブル | ACB-STD2、ACB-STD3 |
| RoHS指令対応状況 | RoHS指令適合品 |

