・青銅ベース金属中に固体潤滑剤(黒鉛)を微細で均一に分散させたサーマロイを軸受部分に使用したピローユニットです。
・一般のベアリングでは使用できない箇所で長寿命が期待できます。
・無潤滑下で低摩擦係数と耐摩耗特性を持ちます。
・異物の侵入に強い軸受です。
・耐食性に優れています。
・使用可能温度範囲が広範囲です。
・電気伝導性に優れています。
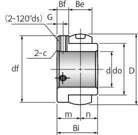
共通仕様
| 面圧 | 常用:14.7MPa以下 最高:29.4MPa |
|---|---|
| すべり速度 | 常用:15m/min以下 最高:30m/min |
| 使用温度範囲 | -50~200℃ |
| 摩擦係数μ | 0.1~0.3 |
| 材質 | 外輪:144SB12P(サーマロイ) 内輪:SUS304(ステンレス鋼) |

