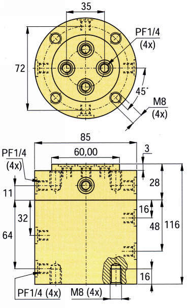
・1、2、4系統の油路を回転体に接続できます。
・最高使用圧力35MPaです。
・最低使用圧力8MPaです。
・加圧中に逆回転はできません。
・最大許容流量は8L/min.です。
共通仕様
| 使用圧力 | Max:35MPa Min:8MPa |
|---|
エナパック
・1、2、4系統の油路を回転体に接続できます。
・最高使用圧力35MPaです。
・最低使用圧力8MPaです。
・加圧中に逆回転はできません。
・最大許容流量は8L/min.です。
| 使用圧力 | Max:35MPa Min:8MPa |
|---|
3件の型式
| 型式 | 機能 |
最大回転数 (min-1) |
35MPa時起動トルク (Nm) |
|---|---|---|---|
| CR-112 | 1系統(単動用垂直型) | 30 | 0.9 |
| CRV-222 | 2系統(複動用) | 75 | 7.0 |
| CRV-442 | 4系統(複動×2) | 65 | 10.0 |
| 型式 | 商品コード | 単位 |
価格 (円) |
基準納期 | |
|---|---|---|---|---|---|
| 日伝 | メーカー | ||||
| CR-112 | CR-112 | P | 79,000 | - | - |
| CRV-222 | CRV-222 | P | 291,400 | - | - |
| CRV-442 | CRV-442 | P | 408,200 | - | - |
製品についてのご質問やお困りごとなどお気軽にご相談ください!