ERL
-
ERL
最大ストローク4m、止まるラチェット、多彩な取付け
■リトラクター
・ストロークが長く、ワイヤロープを引き出すほど張力が強くなるバランサーです。
・ホイストクレーンのペンダントスイッチや工具類の懸垂用途など必要な時に引き出し、手を放すと戻る特性を活かして使用できます。
■ラチェット機構によるロック機能
・ワイヤロープの巻取りをロックさせる機能が付いています。
・ロック機能が不要な場合はロックがかからない様にロック機能を無効に切り替えるスイッチが付いています。
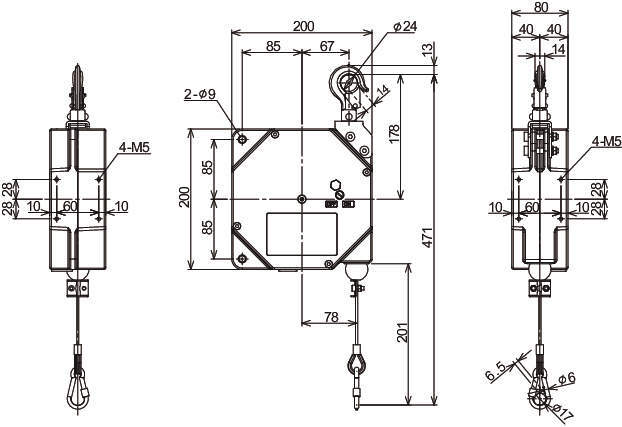
■装置などへの取り付けにも対応
・本体に各種取付穴を装備しており、装置等への取り付けにも柔軟に対応できます。
・上フックは必要に応じて本体を分解せずに取り外せます。
■ウォーム式の張力調整
・スプリングの張力調整は急速な巻き戻しが無く、六角棒スパナで安全に調整することができます。
■落下防止装置(ERL-4S・ERL-8S・ERL-11S・ERL-14S)
・落下防止装置を内蔵したモデルを揃えました。スプリングの破断時に工具などの懸垂物の落下を防ぎます。
■PTF-125とカラビナ対応

