EIV100A
-
EIV100A
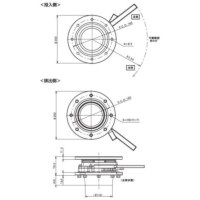
■アイリスバルブはホッパーの排出口や配管途中、フレコンバック排出口に装着し、粉粒体の排出制御(流量調整)を行うことが可能な手動バルブです。
■スリーブ弁の外側に張られたロープをハンドル操作で「絞る」、または「緩める」ことで、排出流量を調整することが可能です。
■電力を必要とせず、場所を選ばず施工できます。
■10段階の調整が可能
・排出流量を細かく調整できます。
■オプション
・EPV25ピストンバイブレータ(別売)を装着することで、スリーブ弁周辺に付着している粉粒体の払い落としを補助できます。
・EPV25の取付には別売の取付ベースが必要です。

