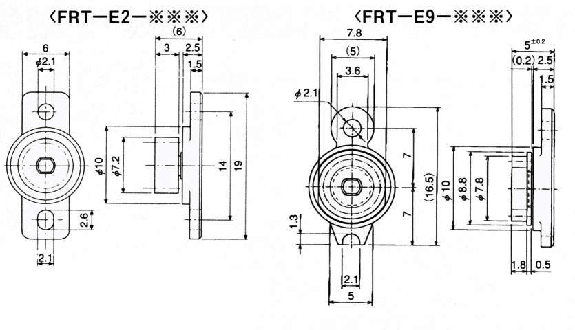
共通仕様
| 最大使用回転速度 | 50rpm |
|---|---|
| 最大使用サイクル | 10cycle/min |
| 使用温度範囲 | 0~50℃ |
| 製品質量 | FRT-E2ギア付:0.41g FRT-E9:0.27g(ギア付:0.38g) |
| 本体ケース、キャップ材料 | ポリカーボネート(PC) |
| 回転軸材質 | ポリアセタール(POM) |
| ギア材質 | ポリアセタール(POM) |
| 使用オイル | シリコーンオイル |
| 歯車仕様 | 種類:標準平歯車 歯形:インボリュート並歯 モジュール:0.6 圧力角:20° 歯数:G1(E2用)10、G2(E9用)11 基準ピッチ円直径:G1(E2用)φ6、G2(E9用)φ6.6 |

