共通仕様
| 最大使用回転速度 | 50rpm |
|---|---|
| 最大使用サイクル | 10cycle/min |
| 使用温度範囲 | 0~50℃ |
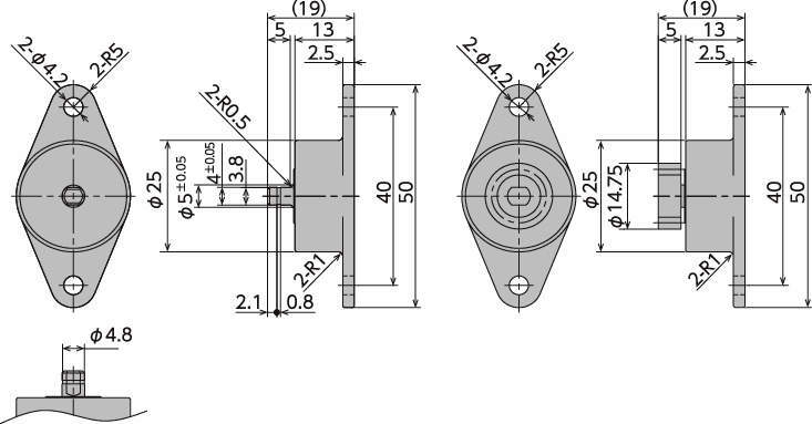
| 製品質量 | FRT-D3:8.3g(ギア付:9g) FRN-D3:12.3g(ギア付:13g) |
| 本体ケース、キャップ材質 | ポリカーボネート(PC) |
| 回転軸材質 | ポリアセタール(POM) 金属(FRN:SUS) |
| ギア材質 | ポリアセタール(POM) |
| 使用オイル | シリコーンオイル |
| キャップカラー | FRT:グレー FRN(R):黒 FRN(L):白 |
| 歯車仕様 | 種類:転位平歯車 歯形:インボリュート並歯 モジュール:1.0 圧力角:20° 歯数:12 基準ピッチ円直径:φ12 転位係数:+0.375 |

