UD-11500HP
-
UD-11500HP
ステンレス鋼製クラス1500<クリーンカップル>
■「クリーンなカップル」の機能を持ったバルブ
・接液部が禁油状態ですので、バルブ内部を通過する流体は、クリーンな状態を維持できます。
・ステム・ディスク分離型となっていますので、ソフトタッチ/メタルタッチの変換はディスクを交換するだけで、ふたつ(カップル)の用途に使い分けができます。
■高圧ガス大臣認定品も対応可能です。
■試験流体は窒素ガスまたはヘリウムガスで行っております。
■禁油に関しては、接液部禁油処理(一級禁油)をいたしております。
・ステムねじ部、Oリングのみに酸素禁油用グリス類を塗布いたします。
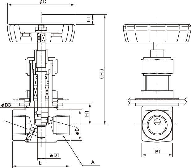
■ボンネットレス形のためバルブ全体がコンパクトです。
■流体温度は-50℃迄は使用できますが、断熱材等でグランド部を過冷しないよう(グランド部よりリークする可能性があります)、ご配慮願います。
■ハンドルは、水抜き穴があり、操作性の良い形状となっております。
共通仕様
| ボディ材質 | SUSF316 |
|---|---|
| 最高使用圧力 | 24.8MPa |
| 使用温度範囲 | -50~+80℃ |
| 材質 | ・ボディ:SUSF316 ・ステム:SUS316 ・ディスク:SUS316(ビジライト盛) ・グランドパッキン:PTFE+PCTFE ・Oリング:フッ素ゴム ・パッキン押エ:SUS316 ・ハンドル:ADC12 |

