FU□-95
-
FU□-95
-
FU□-15
-
FU□-05
-
FU□-35
フジキン
FU□-95
FU□-95
FU□-15
FU□-05
FU□-35
13件の型式
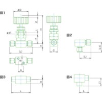
| 型式 | 仕様 | タイプ | 形状 | 呼び径 | オリフィス径 | MAX Cv値 |
配管 接続口径 |
参考図 | 面間距離(mm) |
高さ H (mm) |
パネル取付部 h1 (mm) |
φd1 (mm) |
t (mm) |
h (mm) |
リフト L (mm) |
ハンドル φD (mm) |
A (mm) |
B (mm) |
C (mm) |
|
|---|---|---|---|---|---|---|---|---|---|---|---|---|---|---|---|---|---|---|---|---|
| L | L1 | |||||||||||||||||||
| FUD-95-3.2 | ストップバルブ(ON/OFF) | F900継手 | グローブ | 3.2 | 2.5 | 0.05 | 1/8OD | 1 | 57 | - | 69 | 24 | 14.5 | 6 | 10 | 7 | 32 | 15 | 12 | 21 |
| FUD-95-6.35 | ストップバルブ(ON/OFF) | F900継手 | グローブ | 6.35 | 5 | 0.3 | 1/4OD | 1 | 63 | - | 73 | 24 | 16.5 | 6 | 9.5 | 7 | 40 | 15 | 12 | 21 |
| FUD-95-9.52 | ストップバルブ(ON/OFF) | F900継手 | グローブ | 9.52 | 8 | 1 | 3/8OD | 1 | 71 | - | 81 | 26 | 20.5 | 6 | 11.5 | 7 | 50 | 20 | 15 | 26 |
| FUD-95-12.7 | ストップバルブ(ON/OFF) | F900継手 | グローブ | 12.7 | 8 | 1.37 | 1/2OD | 1 | 81 | - | 82 | 27 | 20.5 | 6 | 14 | 7 | 50 | 20 | 15 | 26 |
| FUD-15A | ストップバルブ(ON/OFF) | ねじ込み式 | グローブ | 1/8B | 2.5 | 0.16 | Rc1/8 | 3 | 46 | - | 71 | 24 | 14.5 | 6 | 10 | 7 | 32 | 15 | 12 | 21 |
| FUD-15B | ストップバルブ(ON/OFF) | ねじ込み式 | グローブ | 1/4B | 5 | 0.5 | Rc1/4 | 3 | 52 | - | 75 | 26 | 16.5 | 6 | 12 | 7 | 40 | 15 | 12 | 21 |
| FUD-15C | ストップバルブ(ON/OFF) | ねじ込み式 | グローブ | 3/8B | 8 | 1.2 | Rc3/8 | 3 | 58 | - | 83 | 28 | 20.5 | 6 | 13 | 7 | 50 | 20 | 15 | 26 |
| FUD-05-6.35 | ストップバルブ(ON/OFF) | F900継手 | アングル | 6.35 | 5 | 0.3 | 1/4OD | 2 | 30.5 | 27 | 73 | 24 | 16.5 | 6 | - | 7 | 40 | - | - | 21 |
| FUD-05-9.52 | ストップバルブ(ON/OFF) | F900継手 | アングル | 9.52 | 8 | 1 | 3/8OD | 2 | 33.5 | 30 | 81 | 26 | 20.5 | 6 | - | 7 | 50 | - | - | 26 |
| FUD-05-12.7 | ストップバルブ(ON/OFF) | F900継手 | アングル | 12.7 | 8 | 1.37 | 1/2OD | 2 | 40.5 | 35 | 82 | 27 | 20.5 | 6 | - | 7 | 50 | - | - | 26 |
| 型式 | 商品コード | 単位 |
価格 (円) |
基準納期 | |
|---|---|---|---|---|---|
| 日伝 | メーカー | ||||
| FUD-95-3.2 | FUD-95-3.2 | P | 37,200 | - | - |
| FUD-95-6.35 | FUD-95-6.35 | P | 37,200 | - | - |
| FUD-95-9.52 | FUD-95-9.52 | P | 46,500 | 在庫品 | - |
| FUD-95-12.7 | FUD-95-12.7 | P | 73,100 | 在庫品 | - |
| FUD-15A | FUD-15A | P | 33,800 | - | - |
| FUD-15B | FUD-15B | P | 33,800 | 在庫品 | - |
| FUD-15C | FUD-15C | P | 66,500 | - | - |
| FUD-05-6.35 | FUD-05-6.35 | P | 49,100 | - | - |
| FUD-05-9.52 | FUD-05-9.52 | P | 82,700 | - | - |
| FUD-05-12.7 | FUD-05-12.7 | P | 82,700 | - | - |
製品についてのご質問やお困りごとなどお気軽にご相談ください!