FPR-NSD-□1SS
-
FPR-NSD-□1SS
-
FPR-NSD-□1SS
-
FPR-ND-□1SS
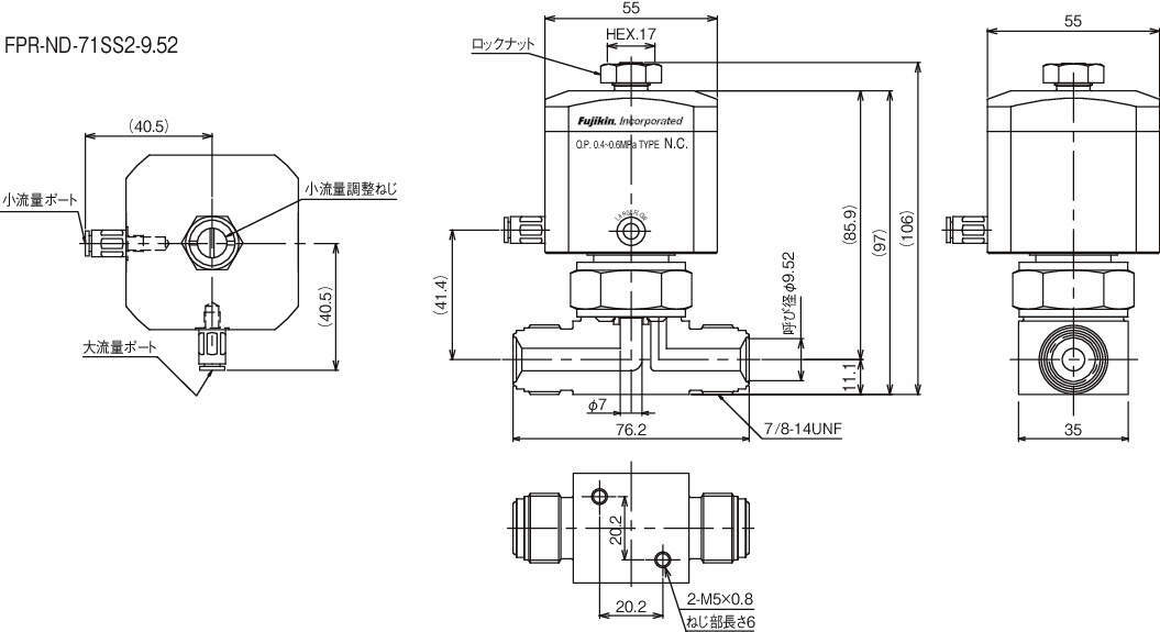
FINE series PURE / 可変式2段切換バルブ 極
■可変式2段切換バルブ
・可変式2段切換バルブは、最先端の半導体プロセスチャンバー内等への、急激な流体によるパーティクルの舞い上がりを防ぐことを目的として開発しました。
・小流量と大流量を切換えることにより、チャンバー内圧力の上昇をスムーズにすることが可能です。
・従来の2段切換バルブでは困難であった実使用ラインでの調整対応が可能です。
■小流量の開度調整ができるようになりました。
■小流量設定可能Cv値範囲
・呼び径 6.35:0~MAX. Cv値
・呼び径 9.52:0~0.25
■コンパクト
■ 高耐久(高寿命)
■小流量固定ナット
・ロック機構により小流量が任意値に設定可能。
■小流量調整ねじ
・特殊機構の採用により微小コントロールを可能にします。
■アクチュエータ
・ピストン構造により正確な流量切換えが可能。
■バルブ構造
・ダイレクトダイヤフラム構造を採用。

