PUBVT-95
-
PUBVT-95
フジキン
PUBVT-95
PUBVT-95
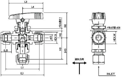
2件の型式
| 型式 | タイプ |
最高 使用圧力 |
接続形式 |
呼び径 D |
オリフィス径 D1 (mm) |
穴径 D2 (mm) |
面間距離(mm) | 管接続部(mm) | ハンドル長さ(mm) | 全開高さ(mm) | パネル取付部(mm) |
ソケット二面幅 W (mm) |
パネル厚さT(mm) | Cv値 |
質量 (kg) |
|||||||
|---|---|---|---|---|---|---|---|---|---|---|---|---|---|---|---|---|---|---|---|---|---|---|
| L | L1 | L2 | B | L3 | L4 | H | H1 | H3 | H2 | D3 | MIN. | MAX. | ||||||||||
| PUBVT-95-6-V | 手動・三方ボールバルブ | 4.9MPa | V-Lok | 6 | 5 | 4.8 | 62.8 | 48 | 15.3 | 14 | 47 | 28 | 38 | 38.4 | 31 | 11 | 14.5 | 17 | 1 | 5 | 1 | 約0.17 |
| PUBVT-95-8-V | 手動・三方ボールバルブ | 4.9MPa | V-Lok | 8 | 5 | 5 | 64 | 49 | 16.2 | 16 | 47 | 28 | 38 | 39 | 31.5 | 11 | 14.5 | 17 | 1 | 5 | 1 | 約0.19 |
| 型式 | 商品コード | 単位 |
価格 (円) |
基準納期 | |
|---|---|---|---|---|---|
| 日伝 | メーカー | ||||
| PUBVT-95-6-V | PUBVT-95-6-V | P | 21,400 | - | - |
| PUBVT-95-8-V | PUBVT-95-8-V | P | 23,900 | - | - |
製品についてのご質問やお困りごとなどお気軽にご相談ください!