VUTW-141DN×FL-BN-EMC
-
VUTW-141DN×FL-BN-EMC
V series
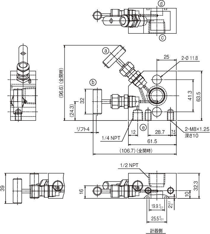
■2バルブマニホールド
・2バルブタイプのフジキン計装用マニホールドバルブです。
・ブロックバルブ×1台、ベントバルブ×1台からなる構造です。
■2バルブマニホールドは静圧及び液面計用に設計されています。
■ダイレクトマウントタイプ
■ガスケット及びボルトを製品に添付して出荷します。
【マニホールドバルブの特長】
■様々なタイプの2バルブ、3バルブ、5バルブのフジキン計装用マニホールドがあります。
■2バルブマニホールドは静圧及び液面計用に、3バルブマニホールド及び5バルブマニホールドは、差圧用に設計されています。
■マニホールド内の流れは、ステンレス鋼製ストップバルブによって制御されます。
■各バルブは、マニホールド上の位置に応じて、圧力のブロック、ベント、均圧という異なる機能を有します。
■これらすべての機能は、2台のストップバルブによって制御されます。
■エンドコネクションは、1/2NPTめねじタイプ、計器取付側MSSフランジタイプなどがあります。
■ボンネットはロックプレートによりボディから緩むのを防止しています。(標準)
■グランドパッキン材質はPTFE です。(オプションで、グラファイトパッキンタイプもあります。)
■バルブの識別のために、機能毎に色分けをしています。(カラーキャップ付)

