モノづくりの困ったを解決する総合サイト

Produced by

V-Lok継手|異径エルボユニオン VUWL

VUWL

  • VUWL

V-Lok(ブイロック)は、特殊工具不要で非常に高い耐圧性が得られる継手です

■V-Lokは精密継手メーカーとして、長年の経験によって蓄積した、設計ノウハウ生産技術を駆使して量産された、優れた性能、品質を有する2圧縮リング方式の継手です。

■基本的な構成部品は、ステンレス鋼 (ASTM316, F316)のボディ、フロントリング、バックリング、ナットの4点です。

■V-Lokは、最先端の生産技術で優れたコストパフォーマンスを実現します。

■V-Lokは、チューブを差込み、ナットを締付けるだけで接続ができるため、特殊工具及び火気を必要としません。

■ダブルリング独特の相互連動作用によって、リングが有効に塑性変形して、チューブを強固に圧縮するため、非常に高い耐圧性が得られます。

#継手
#V-Lok

詳細仕様

  • 4件中 1-4件

  • 表示件数

4件の型式

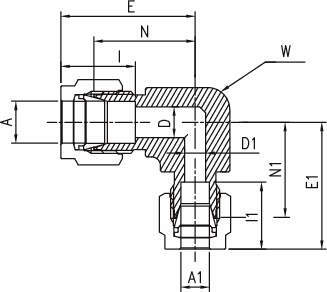
型式 タイプ 呼び径A 呼び径A1 E
(mm)
E1
(mm)
I
(mm)
I1
(mm)
D
(mm)
D1
(mm)
W N
(mm)
N1
(mm)
(in) (mm) (in) (mm) (in) (mm)
VUWL-8×6-V チューブ(ミリサイズ) - 8 - 6 28.8 28.7 16.2 15.3 6.4 4.8 9/16" 14.3 21.3 21.3
VUWL-9.52×6.35-V チューブ(インチサイズ) 3/8" 9.52 1/4" 6.35 30.5 30.5 16.8 15.2 7.1 4.8 5/8" 15.9 23.1 23.1
VUWL-12.7×9.52-V チューブ(インチサイズ) 1/2" 12.7 3/8" 9.52 36.1 33.3 22.9 16.8 10.4 7.1 13/16" 20.6 25.9 25.9
VUWL-10×9.52-V チューブ(ミリサイズ)とチューブ(インチサイズ) - 10 3/8" 9.52 31.5 31.3 17.2 16.8 7.9 7.1 11/16" 17.5 23.9 23.9

型式 商品コード 単位 価格
(円)
基準納期
日伝 メーカー
VUWL-8×6-V VUWL-8-6-V P 3,390 - -
VUWL-9.52×6.35-V VUWL-9.52-6.35-V P 2,790 - -
VUWL-12.7×9.52-V VUWL-12.7-9.52-V P 4,000 - -
VUWL-10×9.52-V VUWL-10-9.52-V P 3,630 - -

この製品を見た人はこのような製品も見ています

1952年設立で、動力伝導機器・産業機器・制御機器等の機械設備及び機械器具関連製品の販売をしている専門総合商社です。
日本国内で40以上の拠点を持ち、信頼性の高い製品と技術力で、全国のものづくりに携わる方々のあらゆるお困りごとを解決しています。

Loading...