VUWLR
-
VUWLR
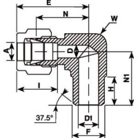
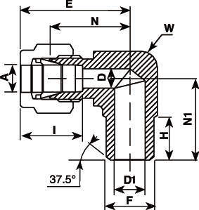
V-Lok(ブイロック)は、特殊工具不要で非常に高い耐圧性が得られる継手です
■V-Lokは精密継手メーカーとして、長年の経験によって蓄積した、設計ノウハウ生産技術を駆使して量産された、優れた性能、品質を有する2圧縮リング方式の継手です。
■基本的な構成部品は、ステンレス鋼 (ASTM316, F316)のボディ、フロントリング、バックリング、ナットの4点です。
■V-Lokは、最先端の生産技術で優れたコストパフォーマンスを実現します。
■V-Lokは、チューブを差込み、ナットを締付けるだけで接続ができるため、特殊工具及び火気を必要としません。
■ダブルリング独特の相互連動作用によって、リングが有効に塑性変形して、チューブを強固に圧縮するため、非常に高い耐圧性が得られます。

