LF900-L
-
LF900-L
「信頼性の極限値」を追求したフジキンの製品ラインナップです。
■FINELOK・PURE
・精密継手メーカーとして、長年の経験によって蓄積した、設計ノウハウと生産技術を駆使して量産された、優れた性能品質を有するチューブ継手です。
・FINELOK・PUREはチューブにねじ加工やフレアー加工を施さずに接続出来るフレアーレスタイプの精密チューブ継手であり基本的な構成部品はステンレス鋼製(SUS316*1、SUSF316)のボディ、フロントリング、バックリング、ナットの9点です。
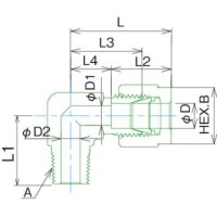
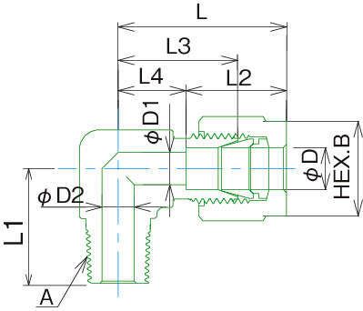
【LF900継手の特長】
■本体シール部は、緻密な超仕上げとなっておりますので、メタル方式でありながら、高気密性が得られます。
■ダブルリング独自の連動作業によって、リングが有効に塑性変形して、チューブを強固に圧縮するので、非常に高い耐久性が得られます。
■ナットのねじ部には銀メッキ処理を行っていますのでねじの焼きつきは起こりません。
■ボディにはチューブサイズが表示されておりますのでひと目でサイズが確認出来ます。
共通仕様
| 材質 | ステンレス鋼製 |
|---|---|
| 最高使用圧力(MPa) | 16.2 |
| 最高使用温度(℃) | 350 |
| 最低使用温度(℃) | -196 |

