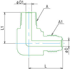
UJR-L
-
UJR-L
「信頼性の極限値」を追求したフジキンの製品ラインナップです。
【ガスケット継手UJRの特長】
■ガスケット継手UJR
・チューブをスリーブに溶接し、そのスリーブの先端シール部とボディーシール部との間にメタルガスケットをはさみ込み、ユニオンナットを締め付けることによりシールする精密ユニオンチューブ継手です。
■スリーブ
・スリーブにはチューブサイズ表示されておりますのでひと目でサイズが確認出来ます。
■メッキ処理
・ナットのネジ部には銀メッキ処理を行っているのでねじの焼付けはありません。
■シール部先端
・特殊な硬度アップ処理により、着脱、シール性の安定化が図れます。

