UPG-F
-
UPG-F
「信頼性の極限値」を追求したフジキンの製品ラインナップです。
【高性能超小型ガスケット継手 UPG継手の特長】
■高性能超小型ガスケット継手UPGは、精密継手メーカーとして、長年の経験によって蓄積した、設計ノウハウと生産技術を駆使して量産された優れた性能・品質を有するチューブ継手です。
■従来広くご愛顧頂いておりますガスケット継手UJRをデットスペースの極小化、従来比70%の小型に改良し、さらにシール性能を大幅に向上させた信頼性の高い究極の超小型継手としております。
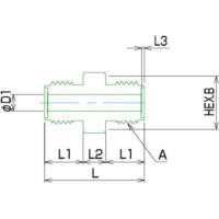
■超小型ガスケット継手UPGは従来のUJRと同様な継手であり、基本的な構成部品はステンレス鋼製のボディ、スリーブ、ユニオンナット、ガスケットの4点です。

