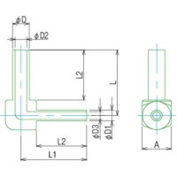
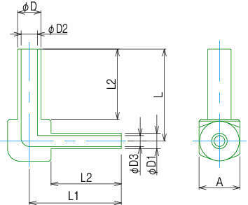
UJL-AW
-
UJL-AW
「信頼性の極限値」を追求したフジキンの製品ラインナップです。
【自動溶接継手の特長】
■自動溶接継手は、精密継手メーカーとして、長年の経験によって蓄積した、設計ノウハウと生産技術を駆使して量産された優れた性能・品質を有するチューブ継手です。
■自動溶接機による実際の施工データに基づき、溶接外径肉厚など精密に当社独自のノウハウで設計しておりますので、安定した溶接品質を実現します。
■自動溶接機用として、特に寸法公差、精度を考慮し設計しております。
■ほとんどの自動溶接機に対応できるように二種類の溶接継手をシリーズ化し製作しております。
■内面は超精密仕上げです。・UP処理(フジキン特殊表面処理)も対応します。
■材質は溶接後の耐食性が優れているSUS316L、SUS316L-LM(Wメルト極低Mn材)を標準採用しています。

