PDWL
-
PDWL
■パワフルロック
・精密継手メーカーとして、長年の経験によって蓄積した、設計ノウハウと生産技術を駆使して量産された、優れた性能、品質を有する継手です。
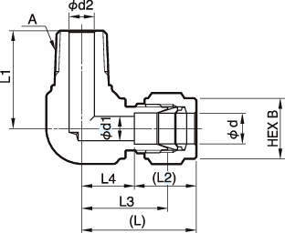
・チューブにねじ切りやフレアー加工を施さずに接続できるフレアーレスタイプの精密継手であり、基本的な構成部品は、黄銅製(C3771B, C3604B, C3602B)のボディ、フロントリング、バックリング、
■フレアーレスタイプなので、チューブを差込み、ナットを締付けるだけで接続ができるため、フレアーツール等の特殊工具及び火気を必要としません。
■ダブルリング独特の相互連動作用によって、リングが有効に塑性変形して、チューブを強固に圧縮するので、非常に高い耐圧性が得られます。
■ボディシール部は、緻密な超仕上げとなっているので、メタルシール方式でありながら、高気密性が得られます。
■締付けトルクが軽く、小型、軽量で、着脱も容易に行えます。
■ナットには、チューブサイズが表示されていますので、ひと目でサイズが確認できます。

