・引張強さ 400N/mm2(41kgf/mm2)以上の炭素鋼(一般構造用圧延鋼材)です。
・厳選した鋼材から製作した標準プレートです。
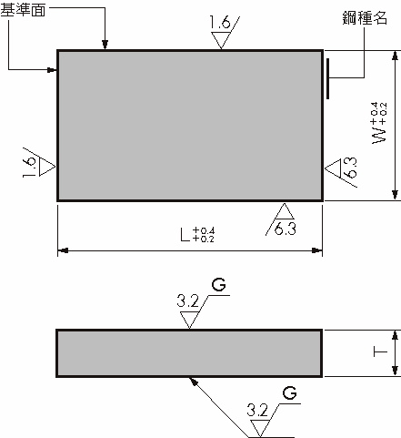
共通仕様
| 材質 | JIS SS400(旧JIS SS41) |
|---|---|
| 硬さ | 116~150HB |
| 厚さTの均一度 | 100mmにつき0.008 |
| 基準面の直角度 | 100mmにつき0.008 |
双葉電子工業
・引張強さ 400N/mm2(41kgf/mm2)以上の炭素鋼(一般構造用圧延鋼材)です。
・厳選した鋼材から製作した標準プレートです。
| 材質 | JIS SS400(旧JIS SS41) |
|---|---|
| 硬さ | 116~150HB |
| 厚さTの均一度 | 100mmにつき0.008 |
| 基準面の直角度 | 100mmにつき0.008 |
製品についてのご質問やお困りごとなどお気軽にご相談ください!