・炭素鋼(機械構造用炭素鋼鋼材)のなかで、高い強さを有した高炭素鋼です。
・厚さによる特性値の差を抑えるため、厚さ25mm以下は JIS S50C相当、厚さ28mm以上は JIS S55C相当を適用しています。
・厳選した鋼材から製作した標準プレートです。
共通仕様
| 材質 | 厚さ25mm以下:JIS S50C相当 厚さ28mm以上:JIS S55C相当 |
|---|---|
| 硬さ | 170~240HB |
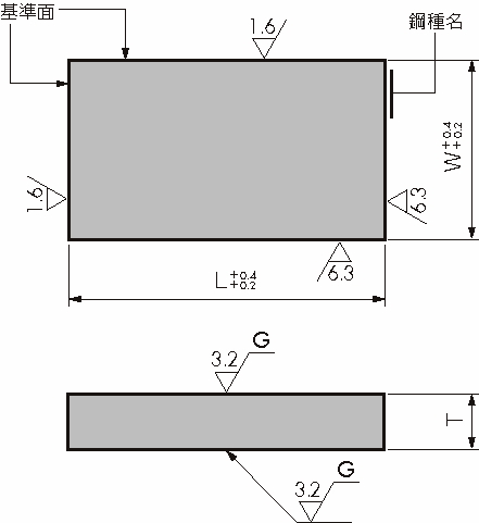
| 厚さTの均一度 | 100mmにつき0.008 |
| 基準面の直角度 | 100mmにつき0.008 |

