・油焼入れタイプの汎用的な合金工具鋼です。
・球状化焼なましを適切に施しており、被削性、焼入性などが良好です。
・炭素工具鋼(SK3)より焼入性(深焼き性)がよく、より安定的な焼入焼戻し処理が行えます。
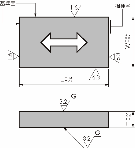
・素材の圧延方向が図面の矢印の方向になるように材料取りがしてあります。
共通仕様
| 材質 | JIS SKS3相当 |
|---|---|
| 硬さ | 納入時:217HB以下 焼入焼戻し後:60~62HRC |
| 厚さTの均一度 | 100mmにつき0.008 |
| 基準面の直角度 | 100mmにつき0.008 |

