・被削性・研削性に優れたダイス鋼です。
・被削性・研削性は、汎用合金工具鋼(SKS3)とほぼ同じです。
・熱処理条件は汎用ダイス鋼(SKD11)と同一で、焼入焼戻しひずみもSKD11と同等です。
・耐摩耗性、耐焼付き性はSKD11より劣りますがSKS3よりも優れています。
・じん性に優れたダイス鋼です。
・一般プレス金型や順送プレス金型のパンチプレート・ダイプレート・ストリッパプレート向け。(穴加工やポケット加工を施す場合、特に有効です。)
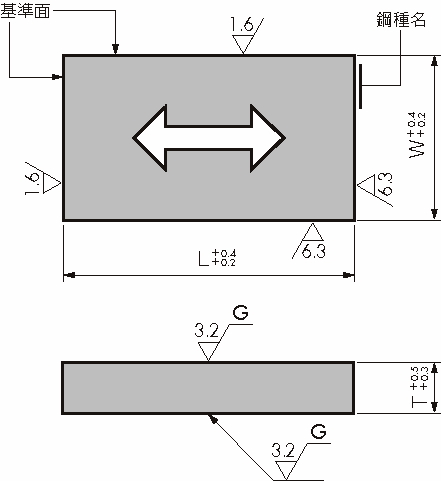
・素材の圧延方向が図面の矢印の方向になるように材料取りがしてあります。
共通仕様
| 硬さ | 納入時:248HB以下 焼入焼戻し後:58~62HRC |
|---|---|
| 厚さTの均一度 | 100mmにつき0.008 |
| 基準面の直角度 | 100mmにつき0.008 |

