モノづくりの困ったを解決する総合サイト

Produced by

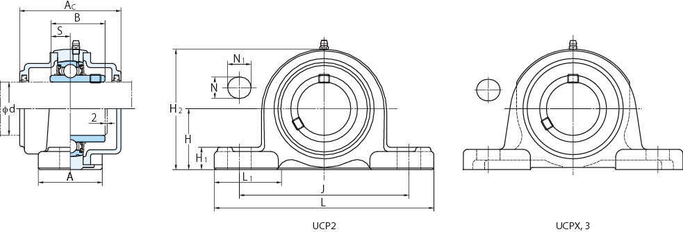
インサート軸受ユニット|ピロー形 UCP(円筒穴・カバー付き)

UCP2

  • UCP2

  • UCPX・UCP3

・写真はカバーなしの写真です。
・カバー取付溝付タイプに、カバーは付属していません。

■軸受ユニット:UCPタイプ
・UCPタイプは高強度の軸受箱と内輪に取り付けられた2個の止めねじで簡単で確実に軸に取り付けることの出来る代表的なユニットです。

■インサート軸受:UC形
・UC形軸受は給油機構を備え球状外径面の外輪と円筒穴の止めねじ付き広幅内輪を持つ、シールとスリンガが付くグリース密封形深溝玉軸受です。
・内輪に取付けられた2個の止めねじで簡単で確実に軸に取り付けることの出来る代表的な形式です。

■インサート軸受:UC-3L形
・UC-L3形軸受は三重シールを用いた防塵性能に優れた軸受です。
・鉄板の裏側に3つのリップに成形されたニトリルゴムを焼付けたシールで外輪にかしめられています。低速から中速の回転で塵埃に対応する軸受です。

#ベアリングユニット

共通仕様

適用グリースニップル 201~210・X05~X09・305~308:A-1/4-28UNF
211~218・X10~X20・309~328:A-PT1/8

詳細仕様

  • 833件中 1-10件

  • 表示件数

833件の型式

型式 タイプ 軸径
d
(mm)
寸法(mm) カバー寸法(mm) 取付け
ボルト
の呼び
適用
軸受箱
適用軸受 参考
ユニット質量
(kg)
軸受箱 軸受 H L A J N N1 H1 H2(H2c) L1 B S As Ac 呼び番号 基本定格荷重(kN) 係数f0
Cr C0r
UCP201C 鋼板カバー付(貫通形) 円筒穴(普通品) 12 30.2 127 38 95 13 18 16 60 36 31 12.7 45 - M10 P203 UC201 12.8 6.65 13.2 0.63
UCP202C 鋼板カバー付(貫通形) 円筒穴(普通品) 15 30.2 127 38 95 13 18 16 60 36 31 12.7 45 - M10 P203 UC202 12.8 6.65 13.2 0.61
UCP203C 鋼板カバー付(貫通形) 円筒穴(普通品) 17 30.2 127 38 95 13 18 16 60 36 31 12.7 45 - M10 P203 UC203 12.8 6.65 13.2 0.60
UCP204C 鋼板カバー付(貫通形) 円筒穴(普通品) 20 33.3 127 38 95 13 18 16 65 36 31 12.7 45 - M10 P204 UC204 12.8 6.65 13.2 0.66
UCP205C 鋼板カバー付(貫通形) 円筒穴(普通品) 25 36.5 140 38 105 13 18 16 70 38 34.1 14.3 49 - M10 P205 UC205 14.0 7.85 13.9 0.80
UCPX05C 鋼板カバー付(貫通形) 円筒穴(普通品) 25 44.4 159 51 119 17 25 16 86 47 38.1 15.9 53 - M14 PX05 UCX05 19.5 11.3 13.9 1.5
UCP206C 鋼板カバー付(貫通形) 円筒穴(普通品) 30 42.9 165 48 121 17 21 17 84 48 38.1 15.9 53 - M14 P206 UC206 19.5 11.3 13.9 1.3
UCPX06C 鋼板カバー付(貫通形) 円筒穴(普通品) 30 47.6 175 57 127 17 25 17 93 55 42.9 17.5 60 - M14 PX06 UCX06 25.7 15.4 13.9 2.1
UCP207C 鋼板カバー付(貫通形) 円筒穴(普通品) 35 47.6 167 48 127 17 21 18 95 47 42.9 17.5 60 - M14 P207 UC207 25.7 15.4 13.9 1.6
UCPX07C 鋼板カバー付(貫通形) 円筒穴(普通品) 35 54 203 57 144 17 30 19 105 64 49.2 19 69 - M14 PX07 UCX07 29.1 17.8 14.0 2.7

型式 商品コード 単位 価格
(円)
基準納期
日伝 メーカー
UCP201C UCP201C P 5,850 - 4日間
UCP202C UCP202C P 5,850 - 在庫品
UCP203C UCP203C P 5,810 - 在庫品
UCP204C UCP204C P 5,450 在庫品 在庫品
UCP205C UCP205C P 5,910 在庫品 在庫品
UCPX05C UCPX05C P 9,610 - 在庫品
UCP206C UCP206C P 7,860 在庫品 在庫品
UCPX06C UCPX06C P 11,040 - 在庫品
UCP207C UCP207C P 8,860 在庫品 在庫品
UCPX07C UCPX07C P 13,600 - 在庫品

関連製品

この製品を見た人はこのような製品も見ています

1952年設立で、動力伝導機器・産業機器・制御機器等の機械設備及び機械器具関連製品の販売をしている専門総合商社です。
日本国内で40以上の拠点を持ち、信頼性の高い製品と技術力で、全国のものづくりに携わる方々のあらゆるお困りごとを解決しています。

Loading...