BLP
-
BLP
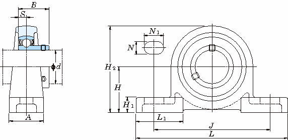
■軸受ユニット:BLPタイプ
・BLPは軽量でコンパクトな軽荷重用ユニットで、限られたスペースで軽~普通荷重に最適なタイプです。
■インサート軸受:SB形
・SB形軸受は球状外径面の外輪と円筒穴の止めねじ付き広幅内輪を持つ、無給油式のグリース密封形深溝玉軸受です。
・120度の間隔に配置された2個の内輪の止めねじで簡単で確実に軸に取り付けることの出来る軽荷重~普通荷重用に最適な軽量の軸受です。
FYH
BLP
BLP
■軸受ユニット:BLPタイプ
・BLPは軽量でコンパクトな軽荷重用ユニットで、限られたスペースで軽~普通荷重に最適なタイプです。
■インサート軸受:SB形
・SB形軸受は球状外径面の外輪と円筒穴の止めねじ付き広幅内輪を持つ、無給油式のグリース密封形深溝玉軸受です。
・120度の間隔に配置された2個の内輪の止めねじで簡単で確実に軸に取り付けることの出来る軽荷重~普通荷重用に最適な軽量の軸受です。
8件の型式
| 型式 | タイプ |
軸径 d (mm) |
寸法(mm) |
取付け ボルト の呼び |
適用 軸受箱 |
適用軸受 |
参考 ユニット質量 (kg) |
||||||||||||||
|---|---|---|---|---|---|---|---|---|---|---|---|---|---|---|---|---|---|---|---|---|---|
| 軸受箱 | 軸受 | H(±0.15) | L | A | J | N | N1 | H1 | H2 | L1 | B | S | 呼び番号 | 基本定格荷重(kN) | 係数f0 | ||||||
| Cr | C0r | ||||||||||||||||||||
| BLP201 | 標準品 | 円筒穴(普通品) | 12 | 30.2 | 114 | 25 | 87 | 11 | 16 | 12 | 57 | 35 | 22 | 6 | M10 | LP203 | SB201 | 9.55 | 4.80 | 13.2 | 0.36 |
| BLP202 | 標準品 | 円筒穴(普通品) | 15 | 30.2 | 114 | 25 | 87 | 11 | 16 | 12 | 57 | 35 | 22 | 6 | M10 | LP203 | SB202 | 9.55 | 4.80 | 13.2 | 0.36 |
| BLP203 | 標準品 | 円筒穴(普通品) | 17 | 30.2 | 114 | 25 | 87 | 11 | 16 | 12 | 57 | 35 | 22 | 6 | M10 | LP203 | SB203 | 9.55 | 4.80 | 13.2 | 0.36 |
| BLP204 | 標準品 | 円筒穴(普通品) | 20 | 33.3 | 125 | 27 | 97 | 11 | 16 | 13 | 65 | 38 | 25 | 7 | M10 | LP204 | SB204 | 12.8 | 6.65 | 13.2 | 0.51 |
| BLP205 | 標準品 | 円筒穴(普通品) | 25 | 36.5 | 130 | 29 | 100 | 11 | 16 | 13 | 71 | 39 | 27 | 7.5 | M10 | LP205 | SB205 | 14.0 | 7.85 | 13.9 | 0.57 |
| BLP206 | 標準品 | 円筒穴(普通品) | 30 | 42.9 | 156 | 33 | 120 | 14 | 21 | 14 | 83 | 47 | 30 | 8 | M12 | LP206 | SB206 | 19.5 | 11.3 | 13.9 | 0.69 |
| BLP207 | 標準品 | 円筒穴(普通品) | 35 | 47.6 | 165 | 35 | 127 | 14 | 21 | 16 | 93 | 50 | 32 | 8.5 | M12 | LP207 | SB207 | 25.7 | 15.4 | 13.9 | 0.94 |
| BLP208 | 標準品 | 円筒穴(普通品) | 40 | 50.8 | 184 | 37 | 140 | 14 | 22 | 18 | 102 | 55 | 34 | 9 | M12 | LP208 | SB208 | 29.1 | 17.8 | 14.0 | 1.8 |
| 型式 | 商品コード | 単位 |
価格 (円) |
基準納期 | |
|---|---|---|---|---|---|
| 日伝 | メーカー | ||||
| BLP201 | BLP201 | P | 3,020 | 在庫品 | 在庫品 |
| BLP202 | BLP202 | P | 3,020 | 在庫品 | 在庫品 |
| BLP203 | BLP203 | P | 3,020 | 在庫品 | 在庫品 |
| BLP204 | BLP204 | P | 3,210 | 在庫品 | 在庫品 |
| BLP205 | BLP205 | P | 3,610 | 在庫品 | 在庫品 |
| BLP206 | BLP206 | P | 4,880 | 在庫品 | 在庫品 |
| BLP207 | BLP207 | P | 5,920 | - | 在庫品 |
| BLP208 | BLP208 | P | 6,810 | - | 在庫品 |
製品についてのご質問やお困りごとなどお気軽にご相談ください!