UCSP-S6
-
UCSP-S6
・写真はカバーなしの写真です。
・カバー取付溝付タイプに、カバーは付属していません。
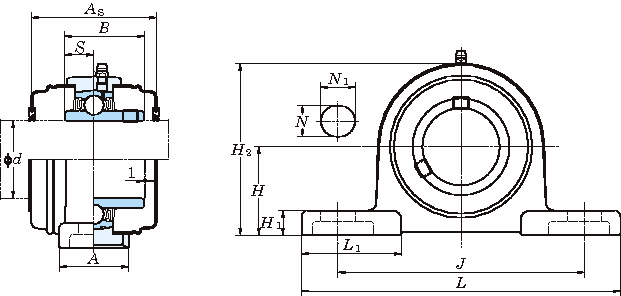
■軸受ユニット:UCSP
・UCSPはステンレス鋼を用いた耐水性・耐食性に優れたユニットです。
・薄肉設計でコンパクト。
・食品グリースが封入されており、食品機械にも対応します。
■インサート軸受:UC-S6形
・UC-S6形軸受は軸受材料にステンレス鋼を用いた耐水性・耐食性に優れた軸受です。
・食品グリースが封入されており、食品機械にも対応します。
・ステンレスユニットに使用されます。
共通仕様
| 適用グリースニップル | A-1/4-28UNFN13:204~210 A-R1/8N13:211~213 |
|---|

