UCSF-S6
-
UCSF-S6
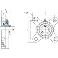
■軸受ユニット:UCSFタイプ
・UCSFはステンレス鋼を用いた耐水性・耐食性に優れた4つの取り付け穴をもつ角フランジユニットです。
・食品グリースが封入されており、食品機械にも対応します。
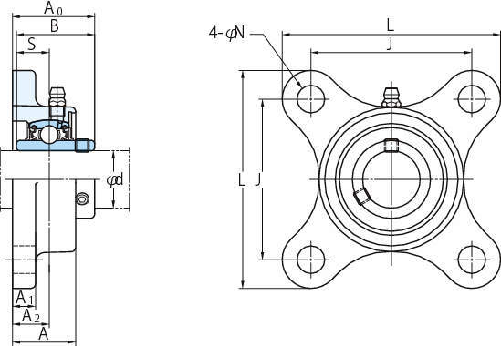
■インサート軸受:UCSF-S6形
・UC-S6形軸受は軸受材料にステンレス鋼を用いた耐水性・耐食性に優れた軸受です。
・食品グリースが封入されており、食品機械にも対応します。
・ステンレスユニットに使用されます。
共通仕様
| 適用グリースニップル | A-1/4-28UNFN12 |
|---|

