UKFL
-
UKFL
・写真はカバーなしの写真です。
・カバー取付溝付タイプに、カバーは付属していません。
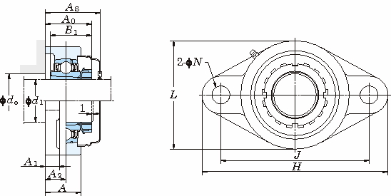
■軸受ユニット:UKFLタイプ
・UKFLはひし形のフランジで2つの取り付け穴持つユニットです。
・機械側面など垂直面に取り付けて使用します。
・角フランジユニットに比べ、取り付けスペースが小さくなります。
■インサート軸受:UK形
・UK形軸受は給油機構を備え球状外径面の外輪とテーパ穴内輪を持つ、シールとスリンガが付くグリース密封形深溝玉軸受です。
・アダプタスリーブを用いて軸に固定するタイプです。
・アダプタスリーブが軸の全周を包み込んで確実に固定します。
■インサート軸受:UK-L3形
・UK-L3形軸受は三重シールを用いた防塵性能に優れた軸受です。
・鉄板の裏側に3つのリップに成形されたニトリルゴムを焼付けたシールで外輪にかしめられています。
・低速から中速の回転で塵埃に対応する軸受です。
共通仕様
| 適用グリースニップル | 205~210・X05~X09・305~308:A-1/4-28UNF 211~218・X10・309~328:A-PT1/8 |
|---|

