UFL
-
UFL
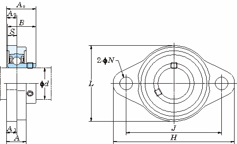
■軸受ユニット:UFLタイプ
・UFLは軽量形軸受と錆に強い亜鉛合金ダイカスト軸受箱の小形・軽量のひし形ユニットです。
■インサート軸受:SU形
・SU形軸受はSB形軸受をさらに軽量化した球状外径面の外輪と円筒穴の止めねじ付き広幅内輪を持つ、無給油式のグリース密封形深溝玉軸受です。
・120度の間隔に配置された2個の内輪の止めねじで簡単で確実に軸に取り付けることの出来る軽荷重用の軽量な軸受です。
FYH
UFL
UFL
■軸受ユニット:UFLタイプ
・UFLは軽量形軸受と錆に強い亜鉛合金ダイカスト軸受箱の小形・軽量のひし形ユニットです。
■インサート軸受:SU形
・SU形軸受はSB形軸受をさらに軽量化した球状外径面の外輪と円筒穴の止めねじ付き広幅内輪を持つ、無給油式のグリース密封形深溝玉軸受です。
・120度の間隔に配置された2個の内輪の止めねじで簡単で確実に軸に取り付けることの出来る軽荷重用の軽量な軸受です。
8件の型式
| 型式 | タイプ |
軸径 d (mm) |
寸法(mm) |
取付け ボルト の呼び |
適用 軸受箱 |
適用軸受 |
参考 ユニット質量 (kg) |
|||||||||||||
|---|---|---|---|---|---|---|---|---|---|---|---|---|---|---|---|---|---|---|---|---|
| 軸受箱 | 軸受 | H | L | A | J(±0.3) | N(±0.2) | A1 | A2(±0.5) | A0 | B | S | 呼び番号 | 基本定格荷重(kN) | 係数f0 | ||||||
| Cr | C0r | |||||||||||||||||||
| UFL08 | 小型ダイカスト製 | 円筒穴(普通品) | 8 | 48 | 27 | 8.5 | 37 | 4.8 | 4 | 4 | 12.5 | 12 | 3.5 | M4 | FL08 | SU08 | 3.27 | 1.37 | 12.4 | 0.03 |
| UFL000 | 小型ダイカスト製 | 円筒穴(普通品) | 10 | 60 | 36 | 12 | 45 | 7 | 6 | 6 | 16 | 15 | 5 | M6 | FL000 | SU000 | 4.55 | 1.95 | 12.3 | 0.05 |
| UFL001 | 小型ダイカスト製 | 円筒穴(普通品) | 12 | 63 | 38 | 12 | 48 | 7 | 6 | 6 | 16 | 15 | 5 | M6 | FL001 | SU001 | 5.10 | 2.40 | 13.2 | 0.07 |
| UFL002 | 小型ダイカスト製 | 円筒穴(普通品) | 15 | 67 | 42 | 13 | 53 | 7 | 6.5 | 6.5 | 17.5 | 16.5 | 5.5 | M6 | FL002 | SU002 | 5.60 | 2.85 | 13.9 | 0.09 |
| UFL003 | 小型ダイカスト製 | 円筒穴(普通品) | 17 | 71 | 46 | 14 | 56 | 7 | 7 | 7 | 18.5 | 17.5 | 6 | M6 | FL003 | SU003 | 6.00 | 3.25 | 14.4 | 0.11 |
| UFL004 | 小型ダイカスト製 | 円筒穴(普通品) | 20 | 90 | 55 | 16 | 71 | 10 | 8 | 8 | 22 | 21 | 7 | M8 | FL004 | SU004 | 9.40 | 5.05 | 13.9 | 0.18 |
| UFL005 | 小型ダイカスト製 | 円筒穴(普通品) | 25 | 95 | 60 | 16 | 75 | 10 | 8 | 8 | 23 | 22 | 7 | M8 | FL005 | SU005 | 10.1 | 5.85 | 14.5 | 0.23 |
| UFL006 | 小型ダイカスト製 | 円筒穴(普通品) | 30 | 112 | 70 | 18 | 85 | 13 | 9 | 9 | 26 | 24.5 | 7.5 | M10 | FL006 | SU006 | 13.2 | 8.25 | 14.7 | 0.31 |
| 型式 | 商品コード | 単位 |
価格 (円) |
基準納期 | |
|---|---|---|---|---|---|
| 日伝 | メーカー | ||||
| UFL08 | UFL08 | P | 1,960 | 在庫品 | 在庫品 |
| UFL000 | UFL000 | P | 2,020 | 在庫品 | 在庫品 |
| UFL001 | UFL001 | P | 2,150 | 在庫品 | 在庫品 |
| UFL002 | UFL002 | P | 2,280 | 在庫品 | 在庫品 |
| UFL003 | UFL003 | P | 2,330 | 在庫品 | 在庫品 |
| UFL004 | UFL004 | P | 2,500 | 在庫品 | 在庫品 |
| UFL005 | UFL005 | P | 2,870 | 在庫品 | 在庫品 |
| UFL006 | UFL006 | P | 3,540 | 在庫品 | 在庫品 |
製品についてのご質問やお困りごとなどお気軽にご相談ください!