UKFC
-
UKFC
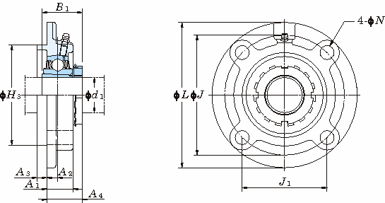
■軸受ユニット:UKFC形
・UKFCは丸形のフランジおよび取付け面に印ろうを持つ軸受箱で印ろう部を機械本体の取付け穴にはめ込むことで、軸受箱を正確な位置に取付けることが出来ます。
■インサート軸受:UK形
・UK形軸受は給油機構を備え球状外径面の外輪とテーパ穴内輪を持つ、シールとスリンガが付くグリース密封形深溝玉軸受です。
・アダプタスリーブを用いて軸に固定するタイプです。
・アダプタスリーブが軸の全周を包み込んで確実に固定します。
■インサート軸受:UK-L3形
・UK-L3形軸受は三重シールを用いた防塵性能に優れた軸受です。
・鉄板の裏側に3つのリップに成形されたニトリルゴムを焼付けたシールで外輪にかしめられています。
・低速から中速の回転で塵埃に対応する軸受です。
共通仕様
| 適用グリースニップル | 205~210・X05~X09:A-1/4-28UNF 211~218・X10~X20:A-PT1/8 |
|---|

