SBPF
-
SBPF
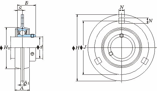
■軸受ユニット:SBPFタイプ
・SBPFは軽量形の軸受とプレス加工された鋼板製軸受箱を組み合わせた軽荷重用の軽量な丸フランジ形ユニットです。
■インサート軸受:SB形
・SB形軸受は球状外径面の外輪と円筒穴の止めねじ付き広幅内輪を持つ、無給油式のグリース密封形深溝玉軸受です。
・120度の間隔に配置された2個の内輪の止めねじで簡単で確実に軸に取り付けることの出来る軽荷重~普通荷重用に最適な軽量の軸受です。

