SBPTH
-
SBPTH
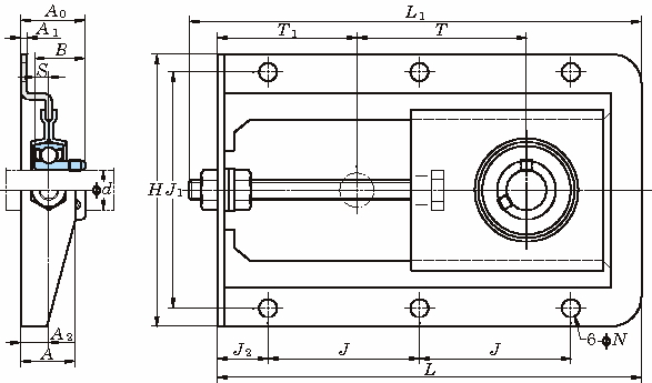
■軸受ユニット:SBPTHタイプ
・SBPTHは鋼板製テークアップ形ユニット、鋼板製フレーム、調整ボルトなどを組み合わせた軽量タイプユニット製品です。
・調整ボルトによって、軸受箱をラジアル方向に移動させることで、軸中心の支持位置を調整することが出来ます。
・軸受箱とフレームはプレス加工された鋼板製で、小形・軽量なユニット製品です。
・機械本体へのフレームの取付けは、6本のボルトによって行います。
■インサート軸受:SB形
・SB形軸受は球状外径面の外輪と円筒穴の止めねじ付き広幅内輪を持つ、無給油式のグリース密封形深溝玉軸受です。
・120度の間隔に配置された2個の内輪の止めねじで簡単で確実に軸に取り付けることの出来る軽荷重~普通荷重用に最適な軽量の軸受です。

