UCHA
-
UCHA
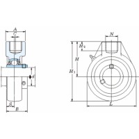
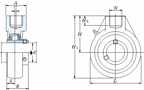
■軸受ユニット:UCHAタイプ
・UCHAは片側に管用平行ねじを設けた軸受箱を組み合わせたユニットです。
・軸受箱はコンパクトに設計されていて、鋼管などで吊り下げて機械本体に取付けます。
■インサート軸受:UC形
・UC形軸受は給油機構を備え球状外径面の外輪と円筒穴の止めねじ付き広幅内輪を持つ、シールとスリンガが付くグリース密封形深溝玉軸受です。
・内輪に取付けられた2個の止めねじで簡単で確実に軸に取り付けることの出来る代表的な形式です。
■インサート軸受:UC-3L形
・UC-L3形軸受は三重シールを用いた防塵性能に優れた軸受です。
・鉄板の裏側に3つのリップに成形されたニトリルゴムを焼付けたシールで外輪にかしめられています。低速から中速の回転で塵埃に対応する軸受です。
共通仕様
| 適用グリースニップル | 201~210:A-1/4-28UNF 211~215:A-PT1/8 |
|---|

