SU
-
SU
-
SU-S6
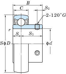
■インサート軸受:SU形
・SU形軸受はSB形軸受をさらに軽量化した球状外径面の外輪と円筒穴の止めねじ付き広幅内輪を持つ、無給油式のグリース密封形深溝玉軸受です。
・120度の間隔に配置された2個の内輪の止めねじで簡単で確実に軸に取り付けることの出来る軽荷重用の軽量な軸受です。
■インサート軸受:SU-S6形
・SU-S6形軸受は軸受材料にステンレス鋼を用いた耐水性・耐食性に優れた無給油式の軸受です。
・120度の間隔に配置された2個の内輪の止めねじで簡単で確実に軸に取り付けることの出来る軽荷重用の軽量な軸受です。

