ER
-
ER
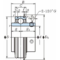
■インサート軸受:ER形
・ER形軸受は給油機構を備え、止め輪を付けた円筒外径面の外輪と円筒穴の止めねじ付き広幅内輪をもつ、グリース密封形深溝玉軸受です。
・特徴は給油式であり、止め輪により位置決めが容易、軸と内輪はすきまばめでよく取付けが簡単です。
・一般の軸受と同様に、広範な用途に使用することができます。
FYH
ER
ER
■インサート軸受:ER形
・ER形軸受は給油機構を備え、止め輪を付けた円筒外径面の外輪と円筒穴の止めねじ付き広幅内輪をもつ、グリース密封形深溝玉軸受です。
・特徴は給油式であり、止め輪により位置決めが容易、軸と内輪はすきまばめでよく取付けが簡単です。
・一般の軸受と同様に、広範な用途に使用することができます。
40件の型式
| 型式 | タイプ | 軸径d | 主要寸法(mm) | 寸法(mm) |
止めねじ の呼び G |
基本定格荷重(kN) |
係数 f0 |
参考 質量 (kg) |
||||||||||||
|---|---|---|---|---|---|---|---|---|---|---|---|---|---|---|---|---|---|---|---|---|
| (mm) | (inch) | D | B | C | r (最小) | r1 (最小) | S | S1 | S2 | Cc | a | f | D2 | Cr | C0r | |||||
| ER201 | 円筒穴(普通品) | 12 | - | 47 | 31 | 16 | 0.6 | 0.5 | 12.7 | 18.3 | 5 | 4 | 2.38 | 1.07 | 52.5 | M6×0.75 | 12.8 | 6.65 | 13.2 | 0.22 |
| ER202 | 円筒穴(普通品) | 15 | - | 47 | 31 | 16 | 0.6 | 0.5 | 12.7 | 18.3 | 5 | 4 | 2.38 | 1.07 | 52.5 | M6×0.75 | 12.8 | 6.65 | 13.2 | 0.22 |
| ER203 | 円筒穴(普通品) | 17 | - | 47 | 31 | 16 | 0.6 | 0.5 | 12.7 | 18.3 | 5 | 4 | 2.38 | 1.07 | 52.5 | M6×0.75 | 12.8 | 6.65 | 13.2 | 0.22 |
| ER204 | 円筒穴(普通品) | 20 | - | 47 | 31 | 16 | 1 | 0.5 | 12.7 | 18.3 | 5 | 4 | 2.38 | 1.07 | 52.5 | M6×0.75 | 12.8 | 6.65 | 13.2 | 0.22 |
| ER205 | 円筒穴(普通品) | 25 | - | 52 | 34.1 | 19 | 1 | 0.5 | 14.3 | 19.8 | 5.5 | 5 | 2.38 | 1.07 | 57.7 | M6×0.75 | 14.0 | 7.85 | 13.9 | 0.27 |
| ER206 | 円筒穴(普通品) | 30 | - | 62 | 38.1 | 22 | 1 | 0.5 | 15.9 | 22.2 | 6 | 5.5 | 3.18 | 1.65 | 67.5 | M6×0.75 | 19.5 | 11.3 | 13.9 | 0.39 |
| ER207 | 円筒穴(普通品) | 35 | - | 72 | 42.9 | 24 | 1.1 | 0.5 | 17.5 | 25.4 | 6.5 | 5.5 | 3.18 | 1.65 | 78.4 | M8×1 | 25.7 | 15.4 | 13.9 | 0.63 |
| ER208 | 円筒穴(普通品) | 40 | - | 80 | 49.2 | 28 | 1.1 | 0.5 | 19 | 30.2 | 8 | 6 | 3.18 | 1.65 | 86.4 | M8×1 | 29.1 | 17.8 | 14.0 | 0.81 |
| ER209 | 円筒穴(普通品) | 45 | - | 85 | 49.2 | 28 | 1.1 | 0.5 | 19 | 30.2 | 8 | 6 | 3.18 | 1.65 | 91.4 | M8×1 | 34.1 | 21.3 | 14.0 | 0.90 |
| ER210 | 円筒穴(普通品) | 50 | - | 90 | 51.6 | 28 | 1.1 | 0.5 | 19 | 32.6 | 9 | 7.5 | 3.18 | 2.41 | 96.3 | M10×1.25 | 35.1 | 23.3 | 14.4 | 0.98 |
| 型式 | 商品コード | 単位 |
価格 (円) |
基準納期 | |
|---|---|---|---|---|---|
| 日伝 | メーカー | ||||
| ER201 | ER201 | P | 3,020 | - | 在庫品 |
| ER202 | ER202 | P | 3,020 | - | 在庫品 |
| ER203 | ER203 | P | 2,920 | 在庫品 | 在庫品 |
| ER204 | ER204 | P | 2,880 | 在庫品 | 在庫品 |
| ER205 | ER205 | P | 3,260 | 在庫品 | 在庫品 |
| ER206 | ER206 | P | 3,920 | 在庫品 | 在庫品 |
| ER207 | ER207 | P | 4,730 | 在庫品 | 在庫品 |
| ER208 | ER208 | P | 5,630 | 在庫品 | 在庫品 |
| ER209 | ER209 | P | 6,330 | 在庫品 | 在庫品 |
| ER210 | ER210 | P | 7,020 | 在庫品 | 在庫品 |
製品についてのご質問やお困りごとなどお気軽にご相談ください!