UCVFL
-
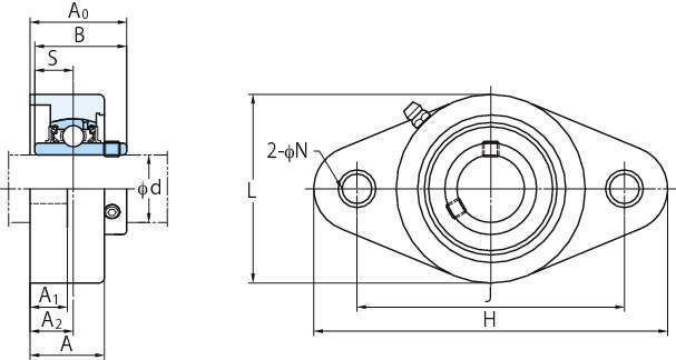
UCVFL
■軸受ユニット:UCVFLタイプ
・UCVFLはプラスチック軸受箱を用いたひし形フランジユニットです。
・軸受にはステンレス(S6)仕様を組み合わせています。
・食品グリースが封入されており、食品機械にも対応します。
■インサート軸受:UC-S6形
・UC-S6形軸受は軸受材料にステンレス鋼を用いた耐水性・耐食性に優れた軸受です。
・食品グリースが封入されており、食品機械にも対応します。
ステンレスユニットに使用されます。
共通仕様
| 材質 | 軌道輪:SUS440C相当 ボール:SUS440C スリンガ保持器:SUS304 シール:NBR 止めねじ:SUS410 軸受箱本体:ガラス繊維強化熱可塑性ポリエステル樹脂(バロックス420) 取付ボルト用スリープ:SUS304 |
|---|

