NCP
-
NCP
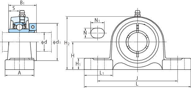
■軸受タイプ:NCPタイプ
・NCPタイプは同心固定輪によって360度全周から締めつけるNU-LOCシステムで軸に固定します。
・内径公差も小さく、回り止めが付くことにより、送風機にも適しています。
■インサート軸受:NC形
・NC形軸受は同心固定輪によって360度全周から締めつけるNU-LOCシステムで軸に固定します。
・回り止めが付くことにより、送風機にも適しています。
・一般の六角レンチで簡単に素早く取り付けることが可能です。
共通仕様
| 適用グリスニップル | 204~210:A-1/4-28UNF 211~212:A-PT1/8 |
|---|

