NCFB
-
NCFB
■軸受ユニット:NCFB
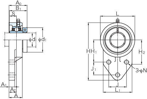
・NCFBはひし形の片側のみのフランジをもつ軸受箱で機械側面など垂直面でスぺースの小さい用途に適します。
■インサート軸受:NC形
・NC形軸受は同心固定輪によって360度全周から締めつけるNU-LOCシステムで軸に固定します。
・内径公差も小さく、回り止めが付くことにより、送風機にも適しています。
・一般の六角レンチで簡単に素早く取り付けることが可能です。
FYH
NCFB
NCFB
■軸受ユニット:NCFB
・NCFBはひし形の片側のみのフランジをもつ軸受箱で機械側面など垂直面でスぺースの小さい用途に適します。
■インサート軸受:NC形
・NC形軸受は同心固定輪によって360度全周から締めつけるNU-LOCシステムで軸に固定します。
・内径公差も小さく、回り止めが付くことにより、送風機にも適しています。
・一般の六角レンチで簡単に素早く取り付けることが可能です。
7件の型式
| 型式 | タイプ |
軸径 d (mm) |
寸法(mm) |
取付け ボルト の呼び |
適用 軸受箱 |
適用軸受 |
参考 ユニット質量 (kg) |
||||||||||||||||||
|---|---|---|---|---|---|---|---|---|---|---|---|---|---|---|---|---|---|---|---|---|---|---|---|---|---|
| 軸受箱 | 軸受 | H | L | A | J | J1 | N | H1 | H2 | L1 | A1 | A2 | A0 | B1 | S | d1 | 呼び番号 | 基本定格荷重(kN) | 係数f0 | ||||||
| Cr | C0r | ||||||||||||||||||||||||
| NCFB204 | 標準品 | 円筒穴(同心固定輪付き) | 20 | 110 | 62 | 24 | 32 | 27 | 9.5 | 42 | 52 | 52 | 13 | 13.5 | 33.3 | 32.5 | 12.7 | 44.5 | M8 | FB204 | NC204 | 12.8 | 6.65 | 13.2 | 0.78 |
| NCFB205 | 標準品 | 円筒穴(同心固定輪付き) | 25 | 116 | 68 | 26 | 34 | 27 | 9.5 | 45 | 52 | 56 | 13 | 15 | 37.2 | 36.5 | 14.3 | 49.2 | M8 | FB205 | NC205 | 14.0 | 7.85 | 13.9 | 0.88 |
| NCFB206 | 標準品 | 円筒穴(同心固定輪付き) | 30 | 130 | 78 | 29 | 40 | 29 | 9.5 | 50 | 55 | 65 | 13 | 17 | 40.8 | 39.7 | 15.9 | 55.6 | M8 | FB206 | NC206 | 19.5 | 11.3 | 13.9 | 1.1 |
| NCFB207 | 標準品 | 円筒穴(同心固定輪付き) | 35 | 144 | 90 | 33 | 46 | 32 | 9.5 | 55 | 62 | 70 | 15 | 19 | 46 | 44.5 | 17.5 | 65.1 | M8 | FB207 | NC207 | 25.7 | 15.4 | 13.9 | 1.6 |
| NCFB208 | 標準品 | 円筒穴(同心固定輪付き) | 40 | 164 | 100 | 34 | 50 | 41 | 11 | 60 | 72 | 78 | 16 | 20 | 51.8 | 50.8 | 19 | 68.3 | M10 | FB208 | NC208 | 29.1 | 17.8 | 14.0 | 2.2 |
| NCFB209 | 標準品 | 円筒穴(同心固定輪付き) | 45 | 174 | 106 | 34 | 54 | 43 | 11 | 65 | 76 | 80 | 18 | 20 | 51.8 | 50.8 | 19 | 74.6 | M10 | FB209 | NC209 | 34.1 | 21.3 | 14.0 | 2.4 |
| NCFB210 | 標準品 | 円筒穴(同心固定輪付き) | 50 | 184 | 112 | 35 | 58 | 46 | 11 | 68 | 82 | 86 | 18 | 20 | 54.1 | 53.1 | 19 | 85.7 | M10 | FB210 | NC210 | 35.1 | 23.3 | 14.4 | 2.9 |
| 型式 | 商品コード | 単位 |
価格 (円) |
基準納期 | |
|---|---|---|---|---|---|
| 日伝 | メーカー | ||||
| NCFB204 | NCFB204 | P | 8,080 | - | 4日間 |
| NCFB205 | NCFB205 | P | 9,280 | - | 4日間 |
| NCFB206 | NCFB206 | P | 11,600 | - | 4日間 |
| NCFB207 | NCFB207 | P | 13,400 | - | 4日間 |
| NCFB208 | NCFB208 | P | 16,300 | - | 4日間 |
| NCFB209 | NCFB209 | P | 19,200 | - | 4日間 |
| NCFB210 | NCFB210 | P | 23,500 | - | 4日間 |
製品についてのご質問やお困りごとなどお気軽にご相談ください!