NCFL
-
NCFL
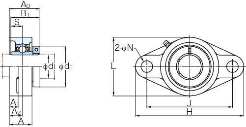
■軸受ユニット:NCFLタイプ
・NCFLはひし形のフランジで2つの取り付け穴を持つユニットです。
・機械側面など垂直面に取り付けて使用します。
・角フランジユニットに比べ、取り付けスペースが小さくなります。
■インサート軸受:NC形
・NC形軸受は同心固定輪によって360度全周から締めつけるNU-LOCシステムで軸に固定します。
・内径公差も小さく、回り止めが付くことにより、送風機にも適しています。
・一般の六角レンチで簡単に素早く取り付けることが可能です。

