NCT
-
NCT
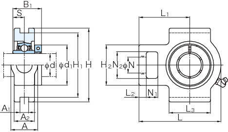
■軸家ユニット:NCTタイプ
・NCTはスライド溝を持つ軸受箱を組み合わせたユニットです。
・スライド溝に沿って軸受箱をラジアル方向に移動させることで、軸中心の支持位置を調整することが出来ます。
■インサート軸受:NC形
・NC形軸受は同心固定輪によって360度全周から締めつけるNU-LOCシステムで軸に固定します。
・内径公差も小さく、回り止めが付くことにより、送風機にも適しています。
・一般の六角レンチで簡単に素早く取り付けることが可能です。

