UPSA-S6
-
UPSA-S6
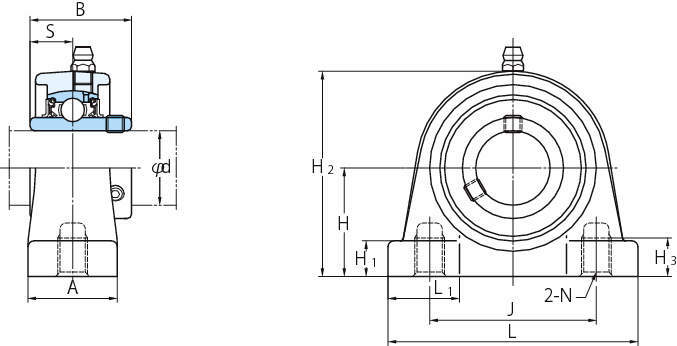
■軸受ユニット:UCSPA
・UCSPAは取り付け用のねじ穴を有するステンレス鋼を用いた耐水性・耐食性に優れたユニットです。
・薄肉でコンパクトなデザインで限られたスペースと正確な取り付け位置を設定できる。
■インサート軸受:UC-S6形
・UC-S6形軸受は軸受材料にステンレス鋼を用いた耐水性・耐食性に優れた軸受です。
・食品グリースが封入されており、食品機械にも対応します。
・ステンレスユニットに使用されます。
共通仕様
| 適用グリースニップル | A-1/4-28UNFN12 |
|---|

