USP-S6
-
USP-S6
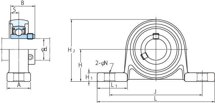
■軸受ユニット:USPタイプ
・USPはステンレス鋼を用いた軽量形軸受とステンレス製軸受箱の小形・軽量のユニットです。
・ゴムコーティングをしたカバーを組み合わせることで更に塵埃や水から守ります。
■インサート軸受:UC-S6形
・UC-S6形軸受は軸受材料にステンレス鋼を用いた耐水性・耐食性に優れた軸受です。
・食品グリースが封入されており、食品機械にも対応します。
・ステンレスユニットに使用されます。

