USFL-S6
-
USFL-S6
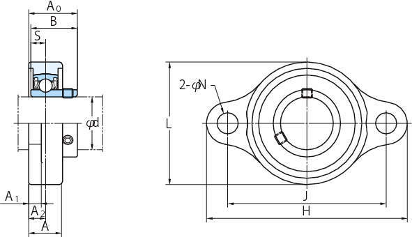
■軸受ユニット:USFLタイプ
・USFLはステンレス鋼を用いた軽量形軸受とステンレス製軸受箱の小形・軽量のひし形ユニットです。
・ゴムコーティングをしたカバーを組み合わせることで更に塵埃や水から守ります。
■インサート軸受:SU-S6形
・SU-S6形軸受は軸受材料にステンレス鋼を用いた耐水性・耐食性に優れた無給油式の軸受です。
・120度の間隔に配置された2個の内輪の止めねじで簡単で確実に軸に取り付けることの出来る軽荷重用の軽量な軸受です。

