UCSFC-S6
-
UCSFC-S6
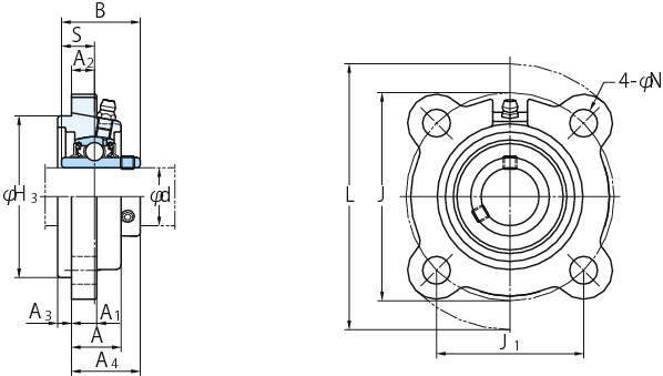
■軸受ユニット:UCSFCタイプ
・UCSFCはステンレス鋼を用いた耐水性・耐食性に優れた丸形のフランジです。
・取付け面に印ろうを持つ軸受箱で印ろう部を機械本体の取付け穴にはめ込むことで、軸受箱を正確な位置に取付けることが出来ます。
・薄肉設計でコンパクト。
■インサート軸受:UCSF-S6形
・UC-S6形軸受は軸受材料にステンレス鋼を用いた耐水性・耐食性に優れた軸受です。
・食品グリースが封入されており、食品機械にも対応します。
・ステンレスユニットに使用されます。

