モノづくりの困ったを解決する総合サイト

Produced by

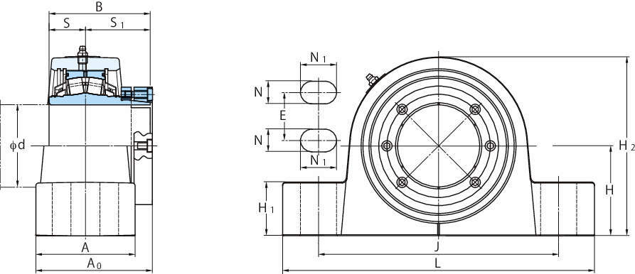
自動調心ころ軸受ユニット|4穴ピロー形 ZS4P(Zロック付き)

ZS4P

  • ZS4P

■軸受ユニット:ZS4Pタイプ
・ZS4Pは4つの取付け穴をもつピロー形のハウジングを組み合わせたユニットです。
・4箇所で固定することでより確実な取付けが可能となります。
・ハウジングの両端はフラットに設計されているので位置決めが容易に出来ます。

■自動調心ころ軸受ユニット
・アメリカ国内において長い歴史のある一体形タイプの自動調心ころ軸受ユニットは、幅広い過酷な使用条件に適応します。
・日本国内では馴染みが少ない一体形ユニットですが、プランマブロックに比べて調心角度の大きさ、取り付けやすさ、メンテナンスの便利さなど、多くのメリットがあります。
・高品質な材料のみを使用して軸受、ハウジング共に高強度なユニットです。

■Z LOCK
・特許取得のZロックは、史上初の内径テーパーロッキングカラーによるロッキングシステムです。
・キャップボルトのねじを均等に締め付けることで専用の内径テーパーロッキングカラーが軸を傷つけることなく、強力な保持力で固定する全周360度から均等に締め付けるロッキングシステムです。
・簡単に静かで確実な回転が得られます。
・取り外す場合にはカラーの2カ所の取外し用ボルト穴に、外したキャップボルトを締め込むことによって簡単にロッキングカラーが外れます。

■潤滑
・FYHローラーグリースはカルシウムスルフォーネートコンプレックスの合成油です。
・耐低高温、耐極圧、耐摩耗性に優れています。
・優れた耐水性能により長期に渡って防錆効果を維持します。
・グリースの使用可能温度:-40℃~170℃

■三重シール
・±2°の調心可能角度を持つ三重シールはあらゆる軸の角度変化に対応しシールリングと呼ばれる特殊なリングと常に均等な力で接触します。
・この特許取得のシールデザインで様々な汚れや埃から軸受を保護し、劇的にその寿命を延ばします。

■裏ベタハウジング
・一体型ダクタイル鋳鉄ハウジングは一般的なねずみ鋳鉄より約2倍の強度があり、裏ベタのデザインは取り付けの強度と共に高荷重に耐えます。

■固定タイプと可動タイプ
・固定タイプ(青色)と可動タイプ(赤色)はタグの色によって区別されます。
・ユニットの裏側にあるスナップリングを移動させることによって、簡単に固定タイプから可動タイプに変更することが出来ます。

#自動調心ころ軸受ユニット

CADメーカーTOP

詳細仕様

  • 8件中 1-8件

  • 表示件数

8件の型式

型式 タイプ 軸径
d
(mm)
寸法(mm) 取付け
ボルトの
呼び
適用
軸受箱
適用軸受
軸受箱 軸受 H L A J N N1 E H1 H2 A0 B S S1 呼び番号 基本定格荷重(kN)
Cr C0r
ZS4P412 標準品 Zロック付き 60 69.8 235 86 181 15 21 44 41 142 92.6 81.4 31.8 49.6 M12 4P413 ZS412 173.3 220.4
ZS4P413 標準品 Zロック付き 65 69.8 235 86 181 15 21 44 41 142 92.6 81.4 31.8 49.6 M12 4P413 ZS413 173.3 220.4
ZS4P414 標準品 Zロック付き 70 82.6 265 95 206 20 24 48 48 162 107 91.3 31.8 59.5 M16 4P415 ZS414 186.8 244.4
ZS4P415 標準品 Zロック付き 75 82.6 265 95 206 20 24 48 48 162 107 91.3 31.8 59.5 M16 4P415 ZS415 186.8 244.4
ZS4P416 標準品 Zロック付き 80 95.2 330 105 254 24 38 50.8 57 192 117.6 103.6 38.5 65.1 M20 4P418 ZS416 284.1 383.7
ZS4P417 標準品 Zロック付き 85 95.2 330 105 254 24 38 50.8 57 192 117.6 103.6 38.5 65.1 M20 4P418 ZS417 284.1 383.7
ZS4P418 標準品 Zロック付き 90 95.2 330 105 254 24 38 50.8 57 192 117.6 103.6 38.5 65.1 M20 4P418 ZS418 284.1 383.7
ZS4P420 標準品 Zロック付き 100 108 387 114 318 24 39 57 62 213 129.6 113.9 41.3 72.6 M20 4P420 ZS420 364 497.2

型式 商品コード 単位 価格
(円)
基準納期
日伝 メーカー
ZS4P412 ZS4P412 P 33,400 - -
ZS4P413 ZS4P413 P 33,400 - -
ZS4P414 ZS4P414 P 42,900 - -
ZS4P415 ZS4P415 P 42,900 - -
ZS4P416 ZS4P416 P 65,200 - -
ZS4P417 ZS4P417 P 65,200 - -
ZS4P418 ZS4P418 P 65,200 - -
ZS4P420 ZS4P420 P 85,400 - -

この製品を見た人はこのような製品も見ています

1952年設立で、動力伝導機器・産業機器・制御機器等の機械設備及び機械器具関連製品の販売をしている専門総合商社です。
日本国内で40以上の拠点を持ち、信頼性の高い製品と技術力で、全国のものづくりに携わる方々のあらゆるお困りごとを解決しています。

Loading...