モノづくりの困ったを解決する総合サイト

Produced by

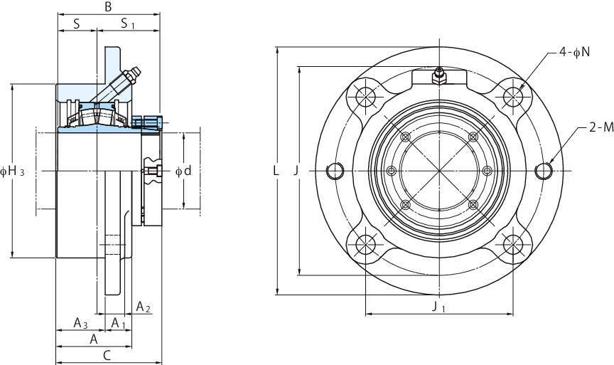
自動調心ころ軸受ユニット|印ろう付き丸フランジ形 ZS4FC(Zロック付き)

ZS4FC

  • ZS4FC

■軸受ユニット:ZS4FCタイプ
・ZS4FCは丸形のフランジおよび取付け面に印ろうを持つハウジングです。
・取付け寸法は転がり軸受ユニットの中荷重タイプと同等で重荷重に対応するこのユニットへの変更が可能です。
・取外し用のネジ穴付き。

■自動調心ころ軸受ユニット
・アメリカ国内において長い歴史のある一体形タイプの自動調心ころ軸受ユニットは、幅広い過酷な使用条件に適応します。
・日本国内では馴染みが少ない一体形ユニットですが、従来から使われているプランマブロックに比べて調心角度の大きさ、取り付けやすさ、メンテナンスの便利さなど、多くのメリットがあります。
・高品質な材料のみを使用して軸受、ハウジング共に高強度なユニットです。

■Z LOCK
・特許取得のZロックは、史上初の内径テーパーロッキングカラーによるロッキングシステムです。
・キャップボルトのねじを均等に締め付けることで専用の内径テーパーロッキングカラーが軸を傷つけることなく、強力な保持力で固定する全周360度から均等に締め付けるロッキングシステムです。
・簡単に静かで確実な回転が得られます。
・取り外す場合にはカラーの2カ所の取外し用ボルト穴に、外したキャップボルトを締め込むことによって簡単にロッキングカラーが外れます。

■潤滑
・FYHローラーグリースはカルシウムスルフォーネートコンプレックスの合成油です。
・耐低高温、耐極圧、耐摩耗性に優れています。
・優れた耐水性能により長期に渡って防錆効果を維持します。
・グリースの使用可能温度:-40℃~170℃

■三重シール
・±2°の調心可能角度を持つ三重シールはあらゆる軸の角度変化に対応しシールリングと呼ばれる特殊なリングと常に均等な力で接触します。
・この特許取得のシールデザインで様々な汚れや埃から軸受を保護し、劇的にその寿命を延ばします。

■裏ベタハウジング
・一体型ダクタイル鋳鉄ハウジングは一般的なねずみ鋳鉄より約2倍の強度があり、裏ベタのデザインは取り付けの強度と共に高荷重に耐えます。

■固定タイプと可動タイプ
・固定タイプ(青色)と可動タイプ(赤色)はタグの色によって区別されます。
・ユニットの裏側にあるスナップリングを移動させることによって、簡単に固定タイプから可動タイプに変更することが出来ます。

#自動調心ころ軸受ユニット

CADメーカーTOP

詳細仕様

  • 12件中 1-10件

  • 表示件数

12件の型式

型式 タイプ 軸径
d
(mm)
寸法(mm) 取付け
ボルトの
呼び
適用
軸受箱
適用軸受
軸受箱 軸受 L H3 J J1 N A A1 A2 A3 C B S S1 呼び番号 基本定格荷重(kN)
Cr C0r
ZS4FC408 標準品 Zロック付き 40 133 92.1 111.1 78.6 12 46.8 21 17.3 26 64.3 64.3 25.4 38.9 M10 4FC408 ZS408 88.7 101.1
ZS4FC409 標準品 Zロック付き 45 156 107.8 130.2 92.1 14 48.4 16 12.7 32.2 69.1 67.5 25.4 42.1 M12 4FC409 ZS409 92.6 108.8
ZS4FC410 標準品 Zロック付き 50 162 114.3 136.5 96.5 14 50.8 19 14.3 32.2 72.6 72.2 25.4 46.8 M12 4FC410 ZS410 96.4 116.9
ZS4FC411 標準品 Zロック付き 55 181 127 152.4 107.8 14 55.6 20 14.3 36.1 76.1 74.6 28.6 46 M12 4FC411 ZS411 120.8 146.8
ZS4FC412 標準品 Zロック付き 60 194 139.7 165.1 116.7 14 63.5 24 15.9 39.7 87.4 81.4 31.8 49.6 M12 4FC413 ZS412 173.3 220.4
ZS4FC413 標準品 Zロック付き 65 194 139.7 165.1 116.7 14 63.5 24 15.9 39.7 87.4 81.4 31.8 49.6 M12 4FC413 ZS413 173.3 220.4
ZS4FC414 標準品 Zロック付き 70 222 161.9 190.5 134.7 17 66.7 25 19.1 41.3 92.5 91.3 31.8 59.5 M16 4FC415 ZS414 186.8 244.4
ZS4FC415 標準品 Zロック付き 75 222 161.9 190.5 134.7 17 66.7 25 19.1 41.3 92.5 91.3 31.8 59.5 M16 4FC415 ZS415 186.8 244.4
ZS4FC416 標準品 Zロック付き 80 260 187.3 219.1 154.9 23 76.2 38 23.8 38.5 105.6 103.6 38.5 65.1 M20 4FC418 ZS416 284.1 383.7
ZS4FC417 標準品 Zロック付き 85 260 187.3 219.1 154.9 23 76.2 38 23.8 38.5 105.6 103.6 38.5 65.1 M20 4FC418 ZS417 284.1 383.7

型式 商品コード 単位 価格
(円)
基準納期
日伝 メーカー
ZS4FC408 ZS4FC408 P 20,800 - -
ZS4FC409 ZS4FC409 P 21,800 - -
ZS4FC410 ZS4FC410 P 22,800 - -
ZS4FC411 ZS4FC411 P 27,800 - -
ZS4FC412 ZS4FC412 P 31,100 - -
ZS4FC413 ZS4FC413 P 31,100 - -
ZS4FC414 ZS4FC414 P 43,100 - -
ZS4FC415 ZS4FC415 P 43,100 - -
ZS4FC416 ZS4FC416 P 65,600 - -
ZS4FC417 ZS4FC417 P 65,600 - -

この製品を見た人はこのような製品も見ています

1952年設立で、動力伝導機器・産業機器・制御機器等の機械設備及び機械器具関連製品の販売をしている専門総合商社です。
日本国内で40以上の拠点を持ち、信頼性の高い製品と技術力で、全国のものづくりに携わる方々のあらゆるお困りごとを解決しています。

Loading...