ZS4FC
-
ZS4FC
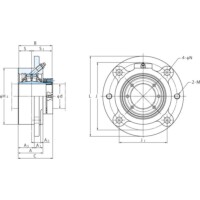
■軸受ユニット:ZS4FCタイプ
・ZS4FCは丸形のフランジおよび取付け面に印ろうを持つハウジングです。
・取付け寸法は転がり軸受ユニットの中荷重タイプと同等で重荷重に対応するこのユニットへの変更が可能です。
・取外し用のネジ穴付き。
■自動調心ころ軸受ユニット
・アメリカ国内において長い歴史のある一体形タイプの自動調心ころ軸受ユニットは、幅広い過酷な使用条件に適応します。
・日本国内では馴染みが少ない一体形ユニットですが、従来から使われているプランマブロックに比べて調心角度の大きさ、取り付けやすさ、メンテナンスの便利さなど、多くのメリットがあります。
・高品質な材料のみを使用して軸受、ハウジング共に高強度なユニットです。
■Z LOCK
・特許取得のZロックは、史上初の内径テーパーロッキングカラーによるロッキングシステムです。
・キャップボルトのねじを均等に締め付けることで専用の内径テーパーロッキングカラーが軸を傷つけることなく、強力な保持力で固定する全周360度から均等に締め付けるロッキングシステムです。
・簡単に静かで確実な回転が得られます。
・取り外す場合にはカラーの2カ所の取外し用ボルト穴に、外したキャップボルトを締め込むことによって簡単にロッキングカラーが外れます。
■潤滑
・FYHローラーグリースはカルシウムスルフォーネートコンプレックスの合成油です。
・耐低高温、耐極圧、耐摩耗性に優れています。
・優れた耐水性能により長期に渡って防錆効果を維持します。
・グリースの使用可能温度:-40℃~170℃
■三重シール
・±2°の調心可能角度を持つ三重シールはあらゆる軸の角度変化に対応しシールリングと呼ばれる特殊なリングと常に均等な力で接触します。
・この特許取得のシールデザインで様々な汚れや埃から軸受を保護し、劇的にその寿命を延ばします。
■裏ベタハウジング
・一体型ダクタイル鋳鉄ハウジングは一般的なねずみ鋳鉄より約2倍の強度があり、裏ベタのデザインは取り付けの強度と共に高荷重に耐えます。
■固定タイプと可動タイプ
・固定タイプ(青色)と可動タイプ(赤色)はタグの色によって区別されます。
・ユニットの裏側にあるスナップリングを移動させることによって、簡単に固定タイプから可動タイプに変更することが出来ます。

